This thread has been locked.

If you have a related question, please click the "Ask a related question" button in the top right corner. The newly created question will be automatically linked to this question.

[参考译文] ADS124S08:每个通道具有多种模拟类型

Guru**** 2511985 points
Other Parts Discussed in Thread: ADS124S08, ADS124S08EVM, TMUX1119, TMUX1108, TMUX1109, TMUX1111

请注意,本文内容源自机器翻译,可能存在语法或其它翻译错误,仅供参考。如需获取准确内容,请参阅链接中的英语原文或自行翻译。

https://e2e.ti.com/support/data-converters-group/data-converters/f/data-converters-forum/774903/ads124s08-multiple-analog-type-for-every-channel

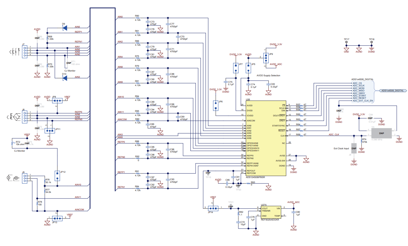
器件型号:ADS124S08
主题中讨论的其他器件:TMUX1119TMUX1108TMUX1109TMUX1111

尊敬的德州仪器:

我想在 ADS124S08上设计模拟输入基座。 我们希望为 RTD (2、3、4线)、TC (所有类型)、mA (0-20或4-20)和电压(0-10V 或1-5V)模拟输入配置每个通道。

您能建议我设计此系统吗?

此致

Mansur。 h

  • 请注意,本文内容源自机器翻译,可能存在语法或其它翻译错误,仅供参考。如需获取准确内容,请参阅链接中的英语原文或自行翻译。

    您好、Mansur、

    我建议查看3份文件。

    《RTD 测量基本指南》

    热电偶测量基本指南

    《ADS124S08EVM 用户指南》

    EVM 用户指南提供了一些不同的输入示例及其外观。  让任何输入通道可配置为任何传感器或输入类型都是诀窍。  通常、这需要跳线或开关以及多路复用器。

    此致、

    Bob B

  • 请注意,本文内容源自机器翻译,可能存在语法或其它翻译错误,仅供参考。如需获取准确内容,请参阅链接中的英语原文或自行翻译。

    尊敬的 Bob:

    感谢您的回复、

    我已经阅读了上述所有文档、并在《ADS124S08EVM 用户指南》中看到每个传感器类型(模拟类型)都是不同的通道。

    我的意思是、我们可以使用数字开关配置或更改模拟输入的类型(对于 CH1、我们需要 RTD 或 TC 或 mA 的时间)。

  • 请注意,本文内容源自机器翻译,可能存在语法或其它翻译错误,仅供参考。如需获取准确内容,请参阅链接中的英语原文或自行翻译。
    Bob、
    您能为与 ads124s08匹配的 siltch 或 Mux xHIP (TI 产品)提供样片吗?

    谢谢
  • 请注意,本文内容源自机器翻译,可能存在语法或其它翻译错误,仅供参考。如需获取准确内容,请参阅链接中的英语原文或自行翻译。
    您好、Mansur、

    一些注意事项包括泄漏电流、串扰、导通电阻和电荷注入。 有许多良好的多路复用器和开关可用于串扰和低导通电阻、但要将误差保持在最低水平、找到一个低泄漏的多路复用器和开关非常重要。

    我还没有尝试过这些器件、因为它们对 TI 来说相对较新、但其中一个示例是 TMUX1108、它是一个8:1 MUX。 该器件可与单极或双极电源配合使用。 还有 TMUX1109、它是一款2通道4:1 MUX。 还有 TMUX1119 2:1多路复用器仅在单极电源下运行。

    对于开关、有 TMUX1111系列器件。 这些器件尚未完全投入生产、但可提供样片。

    此致、
    Bob B