请注意,本文内容源自机器翻译,可能存在语法或其它翻译错误,仅供参考。如需获取准确内容,请参阅链接中的英语原文或自行翻译。
器件型号:ADS1248 主题中讨论的其他器件: ADS124S08
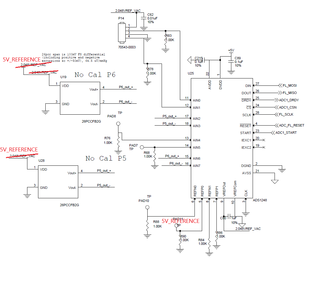
我想将我们的设计从使用2.048V 内部基准更改为使用5V 外部基准。 请参阅随附的红线。 我的问题是:如何选择基准? 或者、ADS1248如何选择基准电压(选择引脚9和10上的电压或引脚5和6上的电压)?
This thread has been locked.
If you have a related question, please click the "Ask a related question" button in the top right corner. The newly created question will be automatically linked to this question.
您好、Maribel、
感谢您的发帖、欢迎加入论坛!
ADS1248具有多种基准电压选项。 ADS1248可选择内部基准(引脚9和10上的输出)或两个外部基准。 第一个外部基准将连接到引脚5和6、而第二个外部基准将连接到引脚7和8。 这可以在数据表的引脚功能部分看到。 有一个基准多路复用 器可用于选择 ADC 用于转换的基准、如9.3.6电压基准输入部分所示。 该多路复用器使用 9.6.4.3 MUX1 -多路复用器控制寄存器1 (偏移= 02h)[复位= x0h]进行控制。
一个问题是 ADS1248将无法使用5V 基准。 如果您查看表7.3、您将看到允许的最大 AVDD 电压为5.25V、允许的最大基准电压为(AVDD - AVSS)-1。 当 AVDD = 5V 且 AVSS = GND 时、允许的最大基准电压为4V。
如果需要更新、您可能需要考虑 ADS124S08系列、因为它是同类设计中最新、最出色的器件。