This thread has been locked.

If you have a related question, please click the "Ask a related question" button in the top right corner. The newly created question will be automatically linked to this question.

[参考译文] ADS1258:ADS1258内部基准连接

Guru**** 2771175 points

Other Parts Discussed in Thread: ADS1258

请注意,本文内容源自机器翻译,可能存在语法或其它翻译错误,仅供参考。如需获取准确内容,请参阅链接中的英语原文或自行翻译。

https://e2e.ti.com/support/data-converters-group/data-converters/f/data-converters-forum/782971/ads1258-ads1258-internal-reference-connection

器件型号:ADS1258

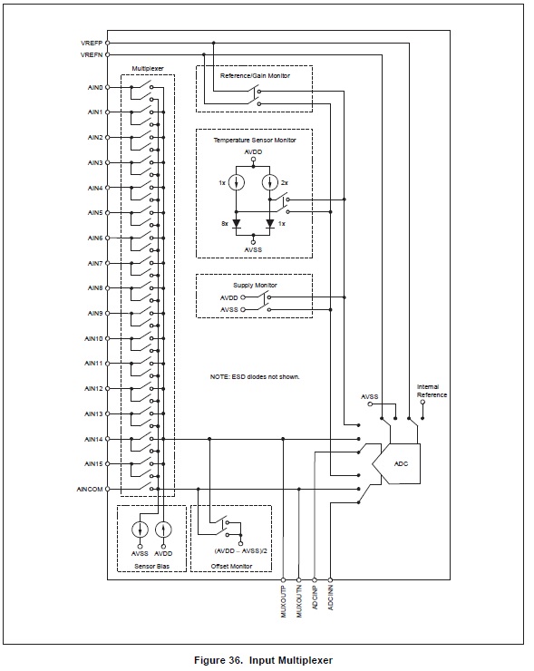
是否可以通过将 SYSRED 位5设置为"1"来使用内部基准。 如果是、内部基准电压是否等于 AVDD?

  

从 ADS1258数据表中的图36中可以看出这一点。

提前感谢、

Scott

  • 请注意,本文内容源自机器翻译,可能存在语法或其它翻译错误,仅供参考。如需获取准确内容,请参阅链接中的英语原文或自行翻译。
    您好、Scott、

    仅当使用基准或电源内部监控通道时、才会使用和访问内部基准。 对于所有其他测量、ADS1258依赖于外部基准源。

    由于您无法使用电源电压作为基准来测量电源电压、因此内部基准可能必须是某种类型的独立带隙基准。