Other Parts Discussed in Thread: AFE7222, TRF370333
请注意,本文内容源自机器翻译,可能存在语法或其它翻译错误,仅供参考。如需获取准确内容,请参阅链接中的英语原文或自行翻译。
器件型号:AFE7222 主题中讨论的其他器件: AFE7225EVM、 TRF370333
戴尔
客户正在开发 AFE7222。
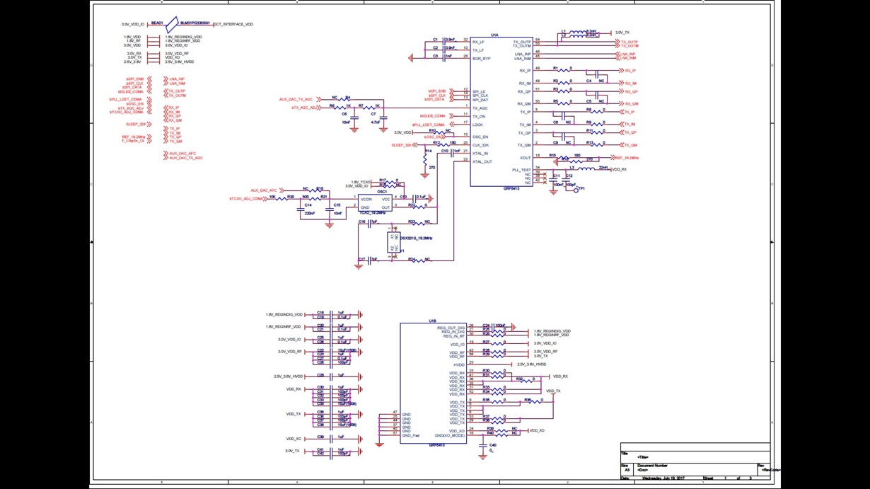
AFE7222 DAC 具有电流输出、但使用电压输入 GRF6413时、需要电流到电压并进行通用电压调优。 使用变压器还是使用具有中点直流偏置的端接?
GRF6413的输入电压为1.5V。
如何将 AFE7222的 DAC 输出连接到具有1.5V 电平的 GRF6413?
请考虑连接 AFE7222和 GRF6413的器件。
请查看原理图
谢谢你。

