This thread has been locked.

If you have a related question, please click the "Ask a related question" button in the top right corner. The newly created question will be automatically linked to this question.

[参考译文] DAC38RF82:DAC38RF82

Guru**** 2507195 points
Other Parts Discussed in Thread: DAC38RF82, LMH6401, LMH3401

请注意,本文内容源自机器翻译,可能存在语法或其它翻译错误,仅供参考。如需获取准确内容,请参阅链接中的英语原文或自行翻译。

https://e2e.ti.com/support/data-converters-group/data-converters/f/data-converters-forum/675879/dac38rf82-dac38rf82

器件型号:DAC38RF82
主题中讨论的其他器件: LMH6401LMH3401

您好!

我想使用 DAC38RF82生成基带 IQ 信号。 因此、我必须直流耦合我的信号路径、并且不能将任何电容器置于该路径中。 在解决 DAC 输出偏置问题(使用两个50欧姆电阻器和足够高的电压、使 DAC 输出端具有1V8)后、我对 DAC 输出端的共模电压有疑问。

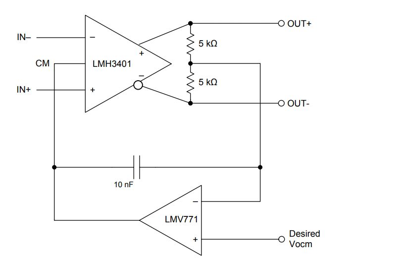
如果我没有记错、我已经知道 DAC 的输出必须具有1V8共模才能提供最佳性能。 我的问题是、我必须连接一个需要在其差分输入上具有0V 共模的 IC。 对于基带信号、不能在信号路径中使用电容器。 我尝试使用 LMH6401和 LMH3401并将共模转换为0V。 它工作良好、但会对信号进行去存储(SFDR=40dBc @ 250MHz)。 是否有其他方法可将共模转换为0V 或降低 LMH6401/LMH3401的失真?

谢谢!

  • 请注意,本文内容源自机器翻译,可能存在语法或其它翻译错误,仅供参考。如需获取准确内容,请参阅链接中的英语原文或自行翻译。

    沃尔德马

    我将对此进行研究。 您还能在高速放大器论坛上发表此帖子吗? 我想他们会有一些选项供您尝试。

    此致、

    Jim