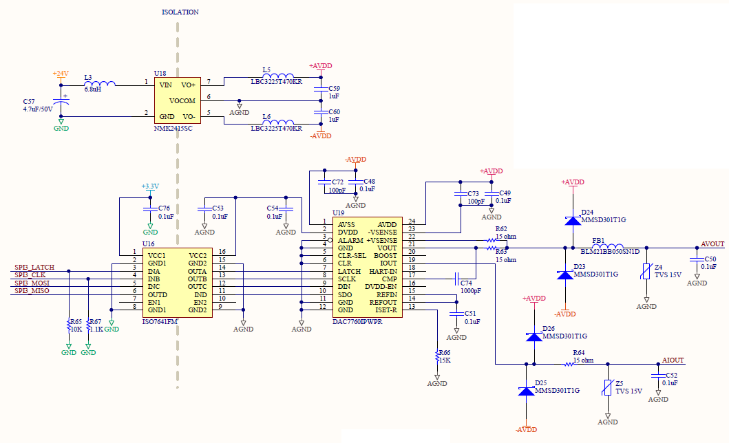
我们在 DAC7760的现场遇到了一些故障。 这是我们的电路原理图。
以下是我们看到的两种故障模式:
我们没有来自 DAC 的输出、似乎 DAC 发生故障。
2、另一种模式是隔离式电源在+24V 侧(U18上的引脚1和引脚2)短路时出现故障。
散热焊盘连接到 AVSS。 由于我们是手工组装的、因此我们有一个焊锡凸块进行连接。
有什么关于我们为什么会看到这一失败的想法? 散热焊盘对于 DAC 高效工作有多重要。 我们的环境温度大部分为25°C、但最高可达45°C 我们在标称值下同时启用了电流和电压电路、但仅使用了一个电路。 在最坏的情况下、最大电流为10mA。
