This thread has been locked.

If you have a related question, please click the "Ask a related question" button in the top right corner. The newly created question will be automatically linked to this question.

[参考译文] ADS1148:SPI 通信失败

Guru**** 2504845 points
Other Parts Discussed in Thread: ADS1148

请注意,本文内容源自机器翻译,可能存在语法或其它翻译错误,仅供参考。如需获取准确内容,请参阅链接中的英语原文或自行翻译。

https://e2e.ti.com/support/data-converters-group/data-converters/f/data-converters-forum/694185/ads1148-fail-for-spi-communication

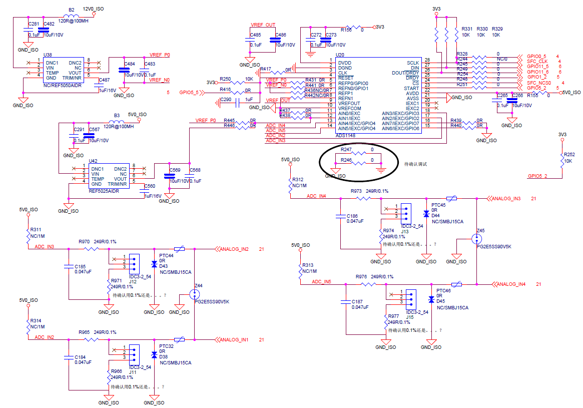
器件型号:ADS1148

焊接10块电路板、3块 电路板因 SPI 通信故障而失效。

请检查该系统、SPI 上的0欧姆更改为47欧姆、但没有任何变化。

已检查电源、GND、DIN、CS,Start,SCLK。

请建议、谢谢。

  • 请注意,本文内容源自机器翻译,可能存在语法或其它翻译错误,仅供参考。如需获取准确内容,请参阅链接中的英语原文或自行翻译。
    皮埃罗


    原理图中几乎没有显示 SPI 通信中可能发生的情况。 但是、您可以执行许多操作来调试此问题。

    首先、当您遇到此问题时、您是否无法进行通信? 或者您是否在通信中遇到错误? 如果您能够获得一些有错误的通信、您会遇到什么错误? 数据是否不正确? 您是否错过了命令? 如果您有数据、那么查看数据很重要。

    数字接地和模拟接地都应连接。 R246或 R247是否已安装? 微控制器是否位于同一接地端并在同一数字电源上运行? 此器件中无法隔离模拟和数字电源。 确保它们具有直接连接。 微控制器也是如此。 这两个电源必须匹配才能实现良好的数字连接。

    您还需要使用示波器或逻辑分析仪验证数字通信。 使用示波器、确保示波器接地端连接到数字接地端、并且对于 DIN、SCLK、DOUT 和/CS、示波器引线连接到 ADS1148侧(如果具有具有更多通道的逻辑分析仪、则连接到/DRDY)。

    您还必须验证时序要求和开关特性。 第7.6和7.7节中的表概述了与器件通信所需的时序。

    最后、检查电源以查看电源线路上是否有明显的振铃。 如果您具有大量串联电感、这可能会导致大量电压尖峰、因为您在数字电流中看到 L (di/dt)。

    您的电路板上的连接也可能有问题。 您应该目视检查到器件的连接、并看到器件到微控制器的电气接触良好。

    阅读这些评论并查看我提到的所有内容。 通过我提到的内容、很可能会发现问题。


    WU Joseph
  • 请注意,本文内容源自机器翻译,可能存在语法或其它翻译错误,仅供参考。如需获取准确内容,请参阅链接中的英语原文或自行翻译。
    皮埃罗


    我已经出城了、但我有一段时间没有听到您的反馈。 您的客户是否能够使 SPI 通信正常工作?

    此时、我将关闭此帖子。 但是、如果问题仍然存在、您可以通过发布回帖或向 E2E 添加新帖子来重新打开帖子。


    吴约瑟