This thread has been locked.

If you have a related question, please click the "Ask a related question" button in the top right corner. The newly created question will be automatically linked to this question.

[参考译文] ADC128D818:ADC128D818如何设置内部刻度值

Guru**** 2382480 points
Other Parts Discussed in Thread: ADC128D818
请注意,本文内容源自机器翻译,可能存在语法或其它翻译错误,仅供参考。如需获取准确内容,请参阅链接中的英语原文或自行翻译。

https://e2e.ti.com/support/data-converters-group/data-converters/f/data-converters-forum/745521/adc128d818-adc128d818-how-to-setting-the-internal-scale-value

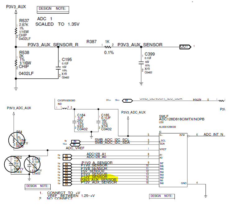
器件型号:ADC128D818

您好、先生、

我的客户设计具有3.3V 分压器和1.35V 的 ADC128D818输入、如以下原理图所示、

并想知道如何设置内部标度值以输出校正结果、

请就此提供帮助。

谢谢

  • 请注意,本文内容源自机器翻译,可能存在语法或其它翻译错误,仅供参考。如需获取准确内容,请参阅链接中的英语原文或自行翻译。

    安妮、您好!

    您是否在询问如何将转换代码转换为电压、或者您在获得正确的转换结果时遇到了困难?  我怀疑它会获得正确的转换结果、因此在这种情况下、我建议您观看"ARADC 输入驱动器设计"视频。  您在 IN1上具有相当高的阻抗输入、并且可能无法正常稳定。