This thread has been locked.

If you have a related question, please click the "Ask a related question" button in the top right corner. The newly created question will be automatically linked to this question.

[参考译文] ADS7843:数据转换器论坛

Guru**** 2578945 points
Other Parts Discussed in Thread: ADS7843

请注意,本文内容源自机器翻译,可能存在语法或其它翻译错误,仅供参考。如需获取准确内容,请参阅链接中的英语原文或自行翻译。

https://e2e.ti.com/support/data-converters-group/data-converters/f/data-converters-forum/1243745/ads7843-data-converters-forum

器件型号:ADS7843

2  

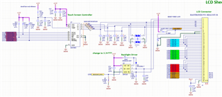
经过板载 ADS7843连接到触摸屏和微型。  首次上电时、PENIRQ 在触摸屏幕时切换(一次到几次)、但随后停止。  下电上电后将再次暂时恢复运行。  如果 PENIRQ 保持断开状态、它将在每次触摸屏幕时切换。  将微控制器连接到工作正常的生产板上的另一个 ADS7843、PENIRQ 将持续切换。  制造了两个不同的试验电路板、结果相同。  我有坏芯片,在制作试验电路板时摧毁它们还是?    随附原理图。

  • 请注意,本文内容源自机器翻译,可能存在语法或其它翻译错误,仅供参考。如需获取准确内容,请参阅链接中的英语原文或自行翻译。

    感谢您的关注。 请在下周结束前收到回复。  

    此致、

    矿石

  • 请注意,本文内容源自机器翻译,可能存在语法或其它翻译错误,仅供参考。如需获取准确内容,请参阅链接中的英语原文或自行翻译。

    嘿、John、  

    您需要了解要在 PENIRQ 引脚上实施的 PD0/PD1配置。 数据表介绍了引脚的模式以及不同配置的结果。 它们的配置方式会影响电路中的功能。

        

    此致、  

    Ore.

  • 请注意,本文内容源自机器翻译,可能存在语法或其它翻译错误,仅供参考。如需获取准确内容,请参阅链接中的英语原文或自行翻译。

    我需要与软件人员讨论。  但是、在评估板中使用相同的软件时、我制作的两个试验电路板仅适用于大约1-2次屏幕触摸。  使用安装在生产电路板上并连接到相同评估板的 ADS7843可以无限期地工作。 不确定 PD0或 PD1如何随硬件变化。

  • 请注意,本文内容源自机器翻译,可能存在语法或其它翻译错误,仅供参考。如需获取准确内容,请参阅链接中的英语原文或自行翻译。

    感谢您提醒我们注意这一点、  

    预计下周同一时间再见。

    此致、  

    Ore.  

  • 请注意,本文内容源自机器翻译,可能存在语法或其它翻译错误,仅供参考。如需获取准确内容,请参阅链接中的英语原文或自行翻译。

    John:

    让我来澄清一下您的问题、以便我们能够清楚地解决该问题。 使用您在该主题中提供的原理图、您有两种情况:  

    1.您将原理图复制到试验电路板上、上电后、PENIRQ 会切换到触摸屏幕。 您是否是说在第一次触摸后、除非您重启 ADC、否则无法让屏幕触摸功能正常工作? 当触摸屏功能停止工作时、您会观察到什么?  即使无法获得第二个触摸屏功能、PENIRQ 是否继续切换?  

    2.如果 PENIRQ 未连接,也会发生类似的情况,但 只有在触摸屏幕时 PENIRQ 才会切换。 它是一直切换还是在第一次触摸后停止?  

    此致、  

    矿石

  • 请注意,本文内容源自机器翻译,可能存在语法或其它翻译错误,仅供参考。如需获取准确内容,请参阅链接中的英语原文或自行翻译。

    7-17-2023。  回复7天前的 ore's questions 问题.  第二次了   。

    1. 上电后、PENIRQ 为高电平并保持高电平。  触摸屏幕后、阴茎变为低电平并保持低电平、直到手指被取下。  第二次再触摸屏幕时、penirq 不会变低。  连续触摸也不会降低。  如果 penirq 已断开并重新连接、则也会运行一次。  未工作时、阴茎较高。  下电上电不能解决此问题。
    2. 笔形仅在一次触摸屏幕时切换一次、然后保持高电平。  后续的屏幕触摸不会导致阴茎进一步切换。  倒数保持高电平。
  • 请注意,本文内容源自机器翻译,可能存在语法或其它翻译错误,仅供参考。如需获取准确内容,请参阅链接中的英语原文或自行翻译。

    感谢您的澄清、  

    我今天将给出完整的回答。  

  • 请注意,本文内容源自机器翻译,可能存在语法或其它翻译错误,仅供参考。如需获取准确内容,请参阅链接中的英语原文或自行翻译。

    嘿、John、

    有关如何使 ADS7843运行的一些建议:

    • 当涉及输入线路上的 LPF 电容器时、请遵循以下指南。 应用手册建议使用1nF 至100nF 电容器。 您可以在应用手册中找到有关布局指南的更多信息:  www.ti.com/.../slaa560.pdf       
    • 严格遵循所有控制字节指令和序列。 例如、 对于表2中所示的差分输入配置、请确保 SER/DFR 位(低电平)中具有正确的 i2c 配置:                                                                  
    • PD1-PD0位控制断电模式、请尝试断电模式以确保器件始终通电
    • 下电上电时、请尝试 维护数据表中的以下 i2c 指南:                      

    此致、

    Ore.

  • 请注意,本文内容源自机器翻译,可能存在语法或其它翻译错误,仅供参考。如需获取准确内容,请参阅链接中的英语原文或自行翻译。

    谢谢 Ore.  当然、试验电路板布局布线不满足某些布局要求。  至于软件是一个问题,我怀疑因为它适用于 TSC 的生产布局。  大多数时候、这可能与将生产布局连接到微控制器评估板的8英寸电线有关。   

    SLAA560第2页上的内容包括 -使每个电源级的模拟接地和数字接地保持分离、并将它们在单点连接在一起。  您是否有关于此方面的应用手册、尤其是其中讨论每个电源级的应用手册?  我不确定每个 PS 阶段的含义。

  • 请注意,本文内容源自机器翻译,可能存在语法或其它翻译错误,仅供参考。如需获取准确内容,请参阅链接中的英语原文或自行翻译。

    嘿、John、

    明天期待此主题的回复。  

    此致、

    支持。

  • 请注意,本文内容源自机器翻译,可能存在语法或其它翻译错误,仅供参考。如需获取准确内容,请参阅链接中的英语原文或自行翻译。

    嘿、John、  

    是的、由于 ADS7843是非常敏感的、所以在使用它的外部事件时应十分小心。  

    您可以在此应用手册中找到有关保持模拟接地和数字接地分离的更多信息: https://www.ti.com/lit/an/slyt499/slyt499.pdf?ts=1689890439967&ref_url=https%253A%252F%252Fwww.google.com%252F。 尽管接地平面最终应连接在一起、但分离这些平面有助于防止影响模拟域的数字开关噪声、反之亦然。 这需要良好的 PCB 设计技能、并且需要处理 ADS7843。  

    电源级是指为 ADS7843供电的外部电路、其供电范围为 Vcc 和其他电压输入接地、旨在使 ADS7843成功通电或断电。 您可以在数据表中找到更多详细信息、但此类事件的一个示例是确保 源自运算放大器的基准电压可以驱动旁路电容器而不产生振荡。

    此致、

    Ore.  

  • 请注意,本文内容源自机器翻译,可能存在语法或其它翻译错误,仅供参考。如需获取准确内容,请参阅链接中的英语原文或自行翻译。

    谢谢你

  • 请注意,本文内容源自机器翻译,可能存在语法或其它翻译错误,仅供参考。如需获取准确内容,请参阅链接中的英语原文或自行翻译。

    请关闭案例