Other Parts Discussed in Thread: ADS7038, TLV3492
尊敬的 TI 支持部门:
我目前正在通过 SPI 提出一个板带有4个 ADS7038芯片、基本上使用手动模式以10Hz 的频率读取所有通道。 我已经使用参考代码库来切换通道、并使用 CS 引脚以5ms 的时间触发手动转换(比要求的时间长)。 我的测试设置是向该引脚提供电压、并期望获得大约1200的 ADC 计数。 我目前在使用全部4个芯片时都遇到了以下问题、
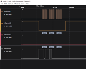
1.有时 ADC 测量值较大、超过20k。 转换似乎可能存在时序问题。 SPI 信号看起来很干净。
2.当仅为通道1提供相同电压时、所有其他通道均悬空、但所有通道的 ADC 计数读数都是相同的数字或较大的20K 数字
3.通道7的基准电压为3.3V、但读数始终为负数。
下面是手动对话的代码片段
========================================
ads7038StartchannalConversions (ads7038_dev_e dev、uint8_t ManualID) {
/dev/dev 是芯片的选择
========================================
下面是用于 读取所有通道的代码片段
========================================
========================================
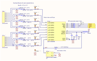
下面是 TLV3492产品的原理图、

谢谢!
开尔文










