Other Parts Discussed in Thread: DAC37J84
请注意,本文内容源自机器翻译,可能存在语法或其它翻译错误,仅供参考。如需获取准确内容,请参阅链接中的英语原文或自行翻译。
器件型号:DAC37J84 工具与软件:
您好!
我们未像数据表建议的那样使用 IOUTD 并且未将其接地。
这会产生什么后果?
This thread has been locked.
If you have a related question, please click the "Ask a related question" button in the top right corner. The newly created question will be automatically linked to this question.
Kannan
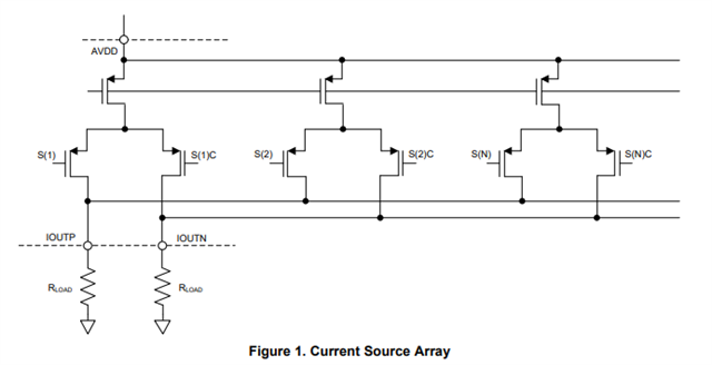
dac37J84是电流源输出、下面重点介绍了简单架构

如果输出保持悬空、电流将无法从 IOUTP/N 流出 这将在所有晶体管上产生饱和效果。
潜在的影响可能包括损坏未接地的 IOUT 引脚以及耦合到其他 IOUT DAC 输出的额外噪声。 这些可能并不都是潜在的影响、TI 无法对在数据表建议之外运行的器件的完全影响进行评论。