工具与软件:
您好!
我在比较电压表的读数时观察到3mV 的测量误差。
我 GΩ 的是内部电阻为10k Ω 的电压表。

似乎有什么东西在 ADS 输入端引起了3mV 的串联压降。 这可能是多路复用器的导通电阻造成的吗?
我无法在数据表中找到任何有关多路复用器输入电阻和导通电阻的信息。 您能帮助澄清一下吗?
This thread has been locked.
If you have a related question, please click the "Ask a related question" button in the top right corner. The newly created question will be automatically linked to this question.
尊敬的 Rachid:
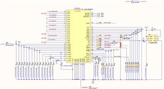
我检查了原理图、当 ADC 由单极电源供电(AVDD=5V)时、由于我在上一篇文章中提到的共模电压要求、负输入引脚(IN1N、IN6N、IN7N 和 IN8N)不应连接到 GND。 根据上图、您还在进行更简单的测试时将 IN3P 短接至 GND、这种连接违反了 共模电压要求。 ADS131E08的输入应配置为下图所示的电路之一。
原理图中的每个信号(IS1电流/R1电流/R2电流/R3电流和 R4电流)都短接并在 通道之间共享以进行测量、我建议您将其断开、仅将其用于 ADC 的一个通道进行测试、例如使用一个专用 的 ADC 通道来测量 IS1电流和 R1电流之间的差分电压。 我也没有看到建议在 ADC 输入上使用的 RC 滤波器。
当您从 ADS131E08收集数据时、您是否禁用了 DAC? 似乎您为 ADC 和 DAC 共享相同的 SPI 总线和控制器信号。
BR、
戴尔