主题中讨论的其他器件:TRF370417
工具与软件:
您好!
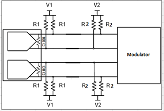
根据以下提到的论坛、 我们 将在 DAC 的输出端使用电阻式偏置电路。
根据共享的计算、我们连接了一个上拉电阻器和一个下拉电阻器、如下所示。

电压 V1为1.8V、V2为 GND。
对于在19mA 满量程电 流下获得1.55V 的偏置电压和475mV 的摆幅、R1的计算值为50欧姆、R2的计算值为3600欧姆。
我们安装了相同的值、但在不同频率下检查 DAC NCO 输出时、DAC 输出端的 CM 电压和摆幅会有所不同。
对于100MHz 频率:CM 电压为1.2V、摆幅为~390mV。 因此、我的 DAC 输出将低于顺从范围。 即较低电压为~1V、依从范围为1.3V。
对于200MHz 频率:CM 电压更改为~1.1V、摆幅降低至200mV。 在本例中、我的 DAC 输出将小于顺从范围。
为什么摆幅和共模电压会因频率而异?
根据计算结果、Vbias 还应保持在1.55V?
如果我们遗漏了内容、请更正。
提前感谢。
