工具与软件:
您好、先生、
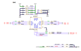
同一 I2C 总线上有 DAC43204和 CG5162。 客户报告、他们在读取 CG5162的寄存器0x20时存在问题、其读取字节可能存在问题:在其位8发生异常下拉、仅在读取0x20时发生。 如果他们移除了 DAC43204、则问题消失了。
正常波形:

发出的波形:

CG5162具有内部4.7K 上拉电阻器、客户可以添加另一个2K 上拉电阻器来达到3.3V。
您是否知道 DAC43204的 I2C 通信发生了什么情况? 是否有任何检查问题的建议? 感谢您的帮助。
此致、
Gary Teng
