工具与软件:
您好: 
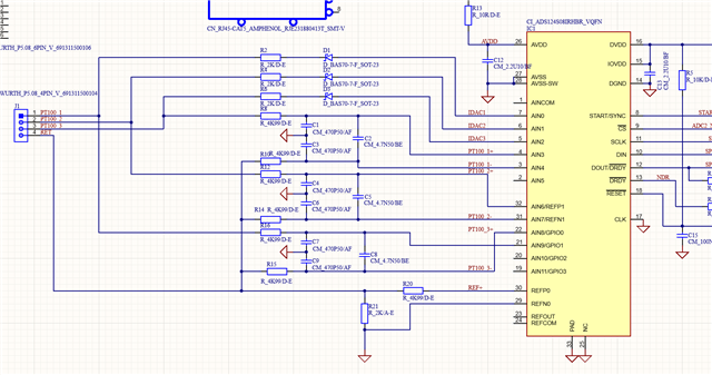
我在 PCB 上有一个这样的电路。
它是一个简单的4 RTD 测量。
我已经进行了启动、我认为三个板的 IDAC 已损坏。 即使我按如下方式配置了寄存器、它们也不会输出电流:
#define RTD_VBIAS VBIAS_DEFAULT //VBIAS DEACTIVATED
#define INPUT_MUX ADS_P_AIN6 | ADS_N_AIN7 //多路复用器= Ain9、多路复用器= Ain8
#define PGA ADS_PGA_ENABLED | ADS_GAIN_4 //启用 PGA、PGA 增益= 2X
#define datarate ADS_CONVMODE_CONT | ADS_DR_2_5 //连续转换、SINC 滤波器、2.5SPS 速率
#define REF_SEL ADS_REFN_BYP_DISABLE| ADS_REFP_BYP_ENABLE| ADS_REFSEL_P0 | ADS_REFINT_ON_ALWAYS;//启用正缓冲器并选择基准 REFP0和 REFN0、内部基准始终开启
#define IDACMAG ADS_IDACMAG_500;// IDAC Mag500 uA
#define IDACMUX ADS_IDAC2_OFF | ADS_IDAC1_A1;// IDAC1多路复用器= AIN1、IDAC2关闭
我想问的是:
如果我激活 IDAC 并且已断开 PT100 ... IDAC 输出电压将高于其顺从电压。 IDAC 断开是否被视为正常?
或者、IDAC 是否受到内部保护、以使 PT100变形不会导致 IDAC 破损?
非常感谢。
R