Other Parts Discussed in Thread: TUSB212, TUSB211A, TUSB216
主题中讨论的其他器件: TUSB211A、 TUSB216
工具与软件:
您好!
我遇到无法识别 USB 设备的问题。
我怀疑此问题是由 CPU 和 TUSB212之间的布线长度过长(18英寸)引起的。
我也尝试过调整交流/直流升压电平、但它似乎没有帮助。
是否有任何其他可能的解决方案可以改善此问题? 此外、对于如何有效调整交流/直流升压电平、您有什么建议吗?

This thread has been locked.
If you have a related question, please click the "Ask a related question" button in the top right corner. The newly created question will be automatically linked to this question.
Other Parts Discussed in Thread: TUSB212, TUSB211A, TUSB216
工具与软件:
您好!
我遇到无法识别 USB 设备的问题。
我怀疑此问题是由 CPU 和 TUSB212之间的布线长度过长(18英寸)引起的。
我也尝试过调整交流/直流升压电平、但它似乎没有帮助。
是否有任何其他可能的解决方案可以改善此问题? 此外、对于如何有效调整交流/直流升压电平、您有什么建议吗?

尊敬的 Kevin:

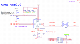
我看到您同时有一个100pF 和一个4.7KOhm 的电阻器正在下拉 RSTN 引脚、以及可能具有提供复位的信号的什么样子。
我看到您在 USB2线路上有一个 CMC。 我们通常建议不要这样做、因为这可能会导致 USB2布线中的信号完整性下降。 只能用于高噪声信号。
通常、我们建议将 EQ 引脚设置为0/1电平、将 DC_BOOST 设置为中电平或低电平、以确保信号没有过度补偿。
此外、应监控 CD 和 ENA_HS 引脚以确保实际启用器件。 如果这些引脚中的任何一个为低电平、则可能不会启用转接驱动器。
谢谢!
Ryan
尊敬的 Ryan:
感谢您的答复。
1.确保 RSTn 在稳定的 VCC 之后被拉高。
2.将 C1793从100pF 更改为100nF。
3.已卸下 CMC 并缩短 USB2线。
然而、CD 和 ENA_HS 也被保持在低电平。 你有什么建议吗?


尊敬的 Kevin:
DP/DM 线路连接在转接驱动器下方、正确吗? 如果这些线路未保持连接、则 USB2线路和转接驱动器都将无法正常工作。
此外、确保在启用转接驱动器之前没有从 USB2线路发送信息、否则转接驱动器将不会启用。
您还可以尝试使用其他转接驱动器、如 TUSB211A 或 TUSB216、该转接驱动器应该与 TUSB212引脚对引脚兼容、看看是否遇到了相同的性能问题。
然而、CD 和 ENA_HS 也保持低水平。 您有什么建议吗?
转接驱动器似乎在 DP/DM 线路上未检测到任何 USB2信号或上拉、因此两个引脚都处于低电平。 如果存在其中任何一个、CD 引脚至少应处于高电平。
谢谢!
Ryan