工具与软件:
您好、专家
希望这能很好地找到你。
请如何了解数据表中的 VIT +、VIT–、Vhys?
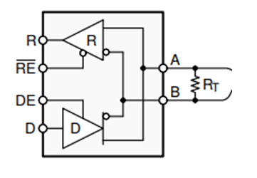
请告诉我们接收接收器后 TTL 电平输出(下图中的 R)的变化电压是多少。 具体来说、差分输入信号的电压是多少(下图中的 A 和 B)?

此致、
Jieyu Zhou
This thread has been locked.
If you have a related question, please click the "Ask a related question" button in the top right corner. The newly created question will be automatically linked to this question.
我将为以下所有示例使用 SN75HVD11:
Unknown 说:如何理解 VIT +
如果 A-B 电压高于-0.01V (最大 VIT +)、则 R 将为逻辑高电平。
Unknown 说:VIT -
如果 A-B 电压低于-0.2V (VIT 最小值)、则 R 将为逻辑低电平。
Unknown 说:Vhys
VIT +和 VIT–之间通常存在35mV 的差异。 因此、如果 VIT +实际为-0.065、VIT 实际为-0.1V、那么总差值为35mV。 最小值和最大值正是我们保证的值、VIT +和 VIT -通常不是最大值/最小值。
[报价 userid="567916" url="~/support/interface-group/interface/f/interface-forum/1485873/sn75hvd11-how-to-understand-vit-vit--vhys "]请告诉我们接收接收器后 TTL 电平输出(下图中的 R)的变化电压是多少。 具体来说、差分输入信号的电压是多少(下图中的 A 和 B)?
[报价]因此、如果 A-B 电压变为-1.01V、然后又回到-0.7V、再回到-1.01V、R 将保持低电平。 (在该示例中、我们假设 VIT -实际上是-1V)。
如果 A-V 电压从-1.01V 变为-0.05V、然后又回到-1.01V、那么 R 可能会在重新变为低电平之前暂时变为高电平、因为它超过了-0.065V。
在我的所有示例中、逻辑高电平是指3.3V、逻辑低电平是指 GND、并假设 Vcc 为3.3V
-鲍比
您好 Bobby、您好 Clemens
非常感谢您的答复。
客户尝试绘制图、您是否确认这一理解是否正确?
如果不正确、请告知我们错误的地方。

如果水平轴上的时间 t 经过、假设 R 输出在 H 范围内(在迟滞范围内)不发生变化是否正确?
另外、在 D 的范围内、它是否变为 L、然后又变为 L=>H?
(如果打孔图上的 A-B 电压上升、它是否也会变为 H、然后变为 H=>L?)
此致、
Jieyu
该图对于某些典型值是正确的。
当电流输出状态为高电平时、差分输入电压必须降至−0.1V 以下才能使输出切换至低电平。
当电流输出状态为低电平时、差分输入电压必须高于−0.065V 才能使输出切换为高电平。
在 D 范围内、不会发生任何情况。
不保证会出现典型值。 实际开关电平(H 范围的左侧和右侧)可以在 −0.01V 至 −0.2V 之间、迟滞可以不同于0.035V
先生们的评论是正确的,但我会补充我自己的想法,也提供我的想法。
如果水平轴上的时间经过 t、假设 R 输出在 H 范围内没有变化(在迟滞范围内)是正确的吗?
是的、这款器件正确。
此外、在 D 范围内、它是否变成 L、然后变成 L=>H?
这是一款可能的器件。 HVD11的传播延迟为40ns。 如果边沿非常快、您可能会降至-0.2V 以下、并且会在 D 窗口之外。 如果边沿慢于40ns、则可能会在 D 窗口中发生这种情况。
(如果打孔图片上的 A-B 电压升高、它是否也变为 H、然后变为 H=>L?)
如果它进入 H 窗口、但是没有完全通过 H 窗口、那么它不应该改变 R 输出。 在低电平到高电平到低电平示例中、如果它变为-0.1V 然后上升、但不超过-0.165V、那么降级通常不会更改 R 输出。 这使用典型的迟滞数字。 如果迟滞较小、则是可能的(不过可能仍然不会发生)。
-鲍比
您好、Bobby、您好、Clemens、
我将负责处理这一问题。 谢谢、此致、
如果阈值为-0.01V、那么即使输入 A 和 B 未反转、R 输出也是否为 H/L?
如果 A 和 B 的电压相同、则 R 输出将为高电平、因为阈值为负。
这是否与 数据表第17页的最后一行冲突、如下所示?
''当接收器使能引脚 RE 为逻辑低电平时、接收器被使能。 当差分输入电压定义为 VID = VA–VB 为正并且高于正输入阈值 VIT +时、接收器输出 R、''

我来检查以防万一。
此致、
Ryusuke