Other Parts Discussed in Thread: TUSB321, TUSB320, TUSB320HI, TUSB320LAI
主题中讨论的其他器件:TUSB320、TUSB321、 TUSB320LAI
工具/软件:
你(们)好
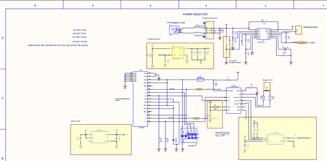
首先、我可以 根据充电器类型正确检测 CC1 CC2电压、但在 UFP 模式或 DRP 模式下、OUT 1和 OUT2都没有响应。 我的原理图如下所示。 我们的想法是 、仅选择5V3A 充电器、并像 IN2一样接通电源。
请建议我如何根据充电器类型从 OUT1和 OUT2获得正确的逻辑输出。
如果我连接5V3A 充电器、并且对于5V2A 充电器、我可以检测到 CC1 =1.5V。 但我使用的是5V3A 充电器或5V2A 充电器、OUT1和 OUT2始终为高电平。



















