This thread has been locked.

If you have a related question, please click the "Ask a related question" button in the top right corner. The newly created question will be automatically linked to this question.

[参考译文] ESD224:检查电路工作情况

Guru**** 2382480 points
Other Parts Discussed in Thread: TPD1E05U06, ESD224, TPD4E05U06
请注意,本文内容源自机器翻译,可能存在语法或其它翻译错误,仅供参考。如需获取准确内容,请参阅链接中的英语原文或自行翻译。

https://e2e.ti.com/support/interface-group/interface/f/interface-forum/1518484/esd224-review-circuit-operation

器件型号:ESD224
主题中讨论的其他器件:TPD1E05U06TPD4E05U06

工具/软件:

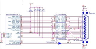
我们正在设计一个可在 PC 和显示器之间扩展 HDMI 的电路板。 请告诉我下面的电路图是否有效以及是否需要注意一些事项。 分辨率为4K。

  • 请注意,本文内容源自机器翻译,可能存在语法或其它翻译错误,仅供参考。如需获取准确内容,请参阅链接中的英语原文或自行翻译。

    你好 Sincheol,

    原理图看起来适用于4通道二极管。

    与热插拔检测线路串联的 TPD1E05U06的预期用途是什么?  

    此致、

    Sebastian  

  • 请注意,本文内容源自机器翻译,可能存在语法或其它翻译错误,仅供参考。如需获取准确内容,请参阅链接中的英语原文或自行翻译。

    我已根据 ESD224数据表中包含的内容进行了配置。 有没有必要?

  • 请注意,本文内容源自机器翻译,可能存在语法或其它翻译错误,仅供参考。如需获取准确内容,请参阅链接中的英语原文或自行翻译。

    你好 Sincheol,

    ESD 二极管 应 与需要保护的线路并联放置。

    在您所显示的原理图中、TPD1E05U06串联、因此 ESD 二极管不会按预期将瞬态钳位到地。  

    阴极应连接到热插拔线路、而阳极应接地、如下所示。  

    ESD224数据表中的图像以 ESD224和 TPD4E05U06的连接方式并行放置 TPD1E05U06。  

    此致、

    Sebastian

  • 请注意,本文内容源自机器翻译,可能存在语法或其它翻译错误,仅供参考。如需获取准确内容,请参阅链接中的英语原文或自行翻译。

    是的、感谢您的答复。 我们将纠正您在电路中告诉我们的器件。