请注意,本文内容源自机器翻译,可能存在语法或其它翻译错误,仅供参考。如需获取准确内容,请参阅链接中的英语原文或自行翻译。
器件型号:TCA9536 工具/软件:
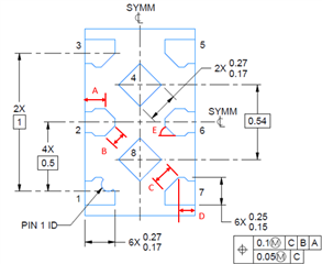
您能告诉我这些尺寸的大小和角度吗?

我还想知道其他封装相同的元件(例如 TCA39306DTMR)是否 也具有相同尺寸的引脚。
This thread has been locked.
If you have a related question, please click the "Ask a related question" button in the top right corner. The newly created question will be automatically linked to this question.
工具/软件:
您能告诉我这些尺寸的大小和角度吗?

我还想知道其他封装相同的元件(例如 TCA39306DTMR)是否 也具有相同尺寸的引脚。
和文
您能告诉我这些尺寸的大小和角度吗?
对于此器件、无法准确给出 A/B/C/D/E 的尺寸、因为这些尺寸的容差将接近尺寸本身。 在 IC 制造后、由于每个引脚的容差、焊盘可能看起来根本不像这样。 这是因为封装非常小、很难准确地进行测量。
TI.com 超级库管理员中的 PCB 占用空间应该能够准确地为 PCB 制造提供占用空间。
我还想知道封装相同的其他元件(例如 TCA39306DTMR) 是否也有相同大小的引脚。
任何具有 8 个引脚并且是 DTM (X2SON) 的 TI 器件都应具有相同的封装图。
此致、
Tyler