工具/软件:
测试 IOP 第 TC 8 部分、有关链路建立时间的三项不符合规格。 都超过最大链路时间。
我是否可以询问贵公司是否有解决方案或针对此问题采取纠正措施的指导?
测试标准基础: 5.1.2 在文档中建立链路的时间
当前测试结果如下:Ω
...........
This thread has been locked.
If you have a related question, please click the "Ask a related question" button in the top right corner. The newly created question will be automatically linked to this question.
工具/软件:
测试 IOP 第 TC 8 部分、有关链路建立时间的三项不符合规格。 都超过最大链路时间。
我是否可以询问贵公司是否有解决方案或针对此问题采取纠正措施的指导?
测试标准基础: 5.1.2 在文档中建立链路的时间
当前测试结果如下:Ω
...........
尊敬的泽伟:
我正在与我们团队的其他成员进行讨论。 到目前为止、您有一些想法:
我搜索了 OA 材料、测试说明似乎在这里:

此致、
Evan Su
尊敬的泽伟:
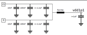
感谢您以私信形式向我发送您的 PHY 原理图。
我更详细地查看了您的 TC8 数据。 在问题最多的第一个“链路伙伴上电“测试中、似乎通过的测试迭代相对比较接近、大约在 60-85 之间。 失败的测试迭代都比这要高得多、并且故障会聚集在一起的可能性很小。 我猜可能有一个模拟随机变量会影响故障迭代。
在原理图中、我将电源与 DP83TG721 原理图检查清单(可在 DP83TG721 安全资源文件夹中找到)进行了比较、并找到了一些详细信息:

此致、
Evan Su
1、Technica 黄金设备内部的 PHY 部件号是什么?
型号为:Marvell 88Q2112。
2.您能否分享这个测试是如何进行的?
Technica 的 Golden Device 作为链路伙伴、TC8 3.0 规范中概述了特定流程。
3、链路接通时间何时开始? 如何监测链路状态?
DUT 连接到 Technica 的 Golden Device、LINKUP01:当 Technica 的 Golden Device 接通 PHY 电源时、定时开始、当与 DUT 的链路成功建立时、定时停止。LINKUP02:当 Technica 的 Golden Device 成功连接到 DUT.LINKUP03 时、定时开始、当 Technica 的 Golden Device 为 DUT B 供电时、当 Technica 的 Golden Device 和 DUT.e2e.ti.com/.../IOPT-Training_5F00_Sigent_5F00_202108_5F00_1000BASE_2D00_T1.pdf 链路成功停止时、定时停止
尊敬的泽伟:
我们已经在第三方实验室中对此进行了测试、链路建立时间是我们 PHY 认证的一部分。 我们看到、使用不同的链路伙伴进行数千次迭代时、链路建立时间不到 60ms。 因此、我为何要询问有关测试方法的问题。

我想知道其中一个 PHY 可能需要更长的时间来进行初始化。 可能是链路建立时间不是问题、但初始化时间会导致时间延长。
我们建议控制器在写入最后一个配置寄存器后给出指示(一个软件位或一个 IO 状态)。 该指示器变为高电平表示开始测量链路建立时间。
如果您可以共享此类测量值、则有助于显示链路建立时间是高电平还是初始化时间为高电平。 我们需要了解这一点、才能了解如何进一步调试。
顺便说一下、如果 DUT 为从器件、是否也存在同样的问题? 或者链路伙伴不同吗?
谢谢、
David