This thread has been locked.

If you have a related question, please click the "Ask a related question" button in the top right corner. The newly created question will be automatically linked to this question.

[参考译文] TUSB4041I-Q1:原理图相关

Guru**** 2589280 points


请注意,本文内容源自机器翻译,可能存在语法或其它翻译错误,仅供参考。如需获取准确内容,请参阅链接中的英语原文或自行翻译。

https://e2e.ti.com/support/interface-group/interface/f/interface-forum/1553023/tusb4041i-q1-schematic-reveiw

器件型号:TUSB4041I-Q1


工具/软件:

尊敬的团队:

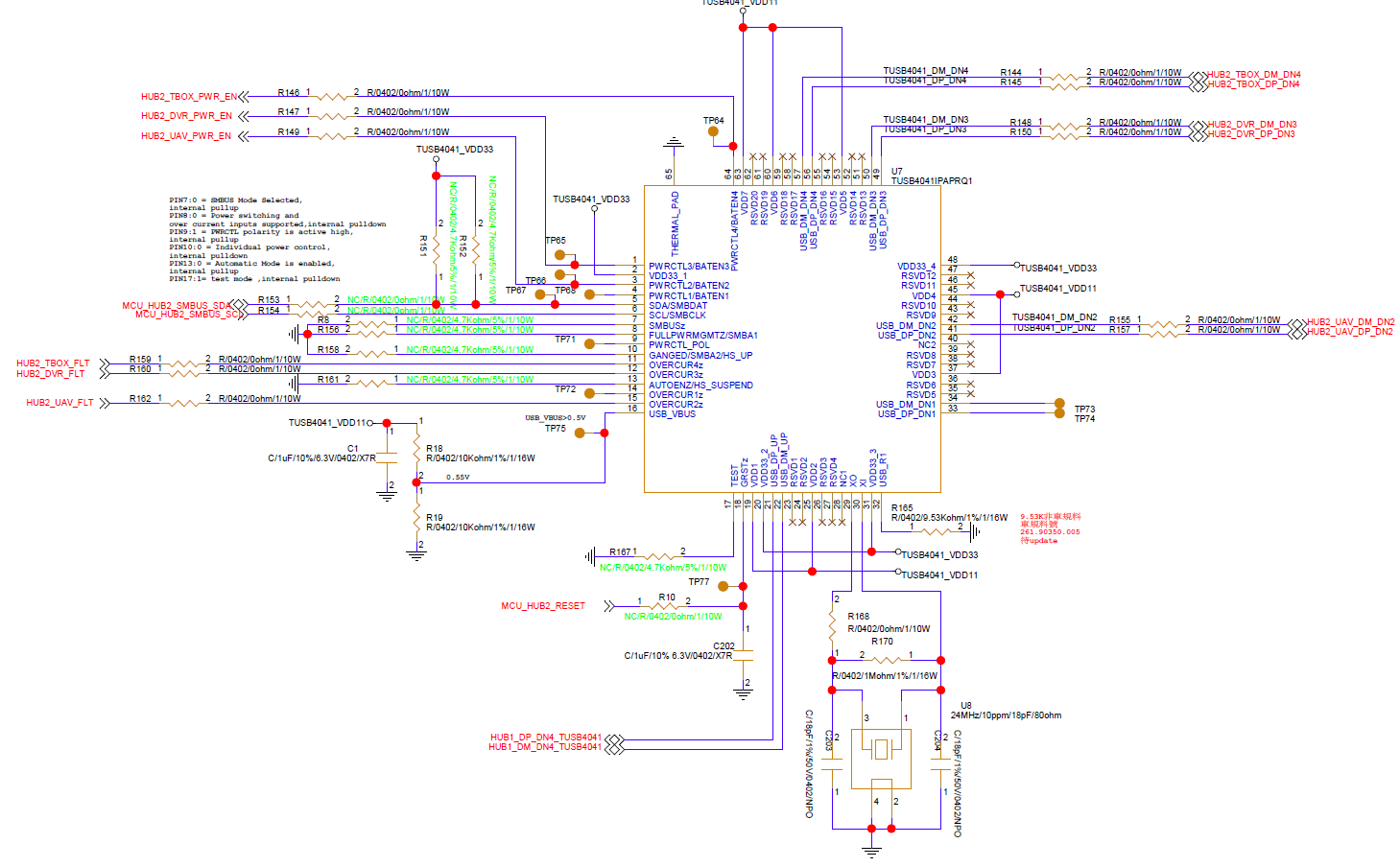
 谢谢、请帮助您查看 TUSB4041IPAPRQ1 原理图。

  

  • 请注意,本文内容源自机器翻译,可能存在语法或其它翻译错误,仅供参考。如需获取准确内容,请参阅链接中的英语原文或自行翻译。

    尊敬的车文:

     您可以从客户那里获得完整的原理图吗? 至少包括上行端口和下行端口连接?

    好极了

    Brian