Other Parts Discussed in Thread: LP-XDS110, TMDSHSECDOCK
https://e2e.ti.com/support/interface-group/interface/f/interface-forum/1577030/lp-xds110-ccs-xds110
部件号:LP-XDS110主题中讨论的其他器件: TMDSHSECDOCK
您好、
我们有新的 LP-XDS110、希望在 TMDSHSECDOCK 集线站调试 F28379D controlCARD。 我们在使用 XDS100v2 时没有任何问题。
控制卡上;
A.SW1 >>引脚 1 和引脚 2 关闭
SW1 >>等待模式
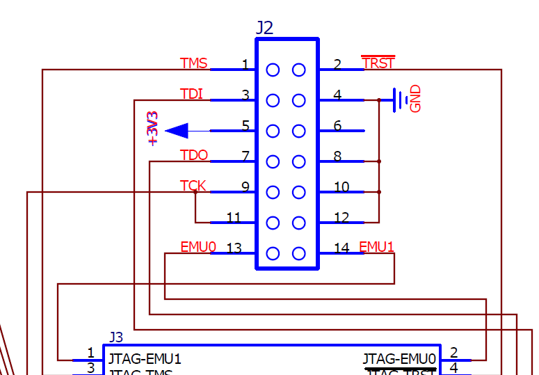
我们使用 J2 JTAG 连接器,将 TMS、TDI、TDOi TCK 和 TRST 连接到 LP-XDS110(从 TRST 连接到 nRST)


我们使用 5V 直流 LP-XDS110 作为 controlCARD 的外部 5V 直流电压。
当我们尝试调试时、收到以下错误。
----- 【发生错误,此实用程序已中止】------------------------
此错误由 TI 的 USCIF 驱动程序或实用程序生成。
值为“-233"(–233(0xffffff17“0xffffff17)。
标题为“C_ERR_PATH_BROKEN “。
解释如下:
JTAG IR 和 DR 扫描路径无法循环位、它们可能会损坏。
尝试扫描 JTAG 扫描路径失败。
目标的 JTAG 扫描路径似乎已损坏
或零卡滞故障的情况下运行。
[结束:Texas Instruments XDS110 USB 调试 Probe_0]
出现错误或缺失。
此致、
Vedat