This thread has been locked.

If you have a related question, please click the "Ask a related question" button in the top right corner. The newly created question will be automatically linked to this question.

[参考译文] TPD12S016:HDMI芯片数据表中出现错误

Guru**** 2546040 points
Other Parts Discussed in Thread: TPD12S016

请注意,本文内容源自机器翻译,可能存在语法或其它翻译错误,仅供参考。如需获取准确内容,请参阅链接中的英语原文或自行翻译。

https://e2e.ti.com/support/interface-group/interface/f/interface-forum/575382/tpd12s016-error-in-datasheet-of-hdmi-chip

部件号:TPD12S016

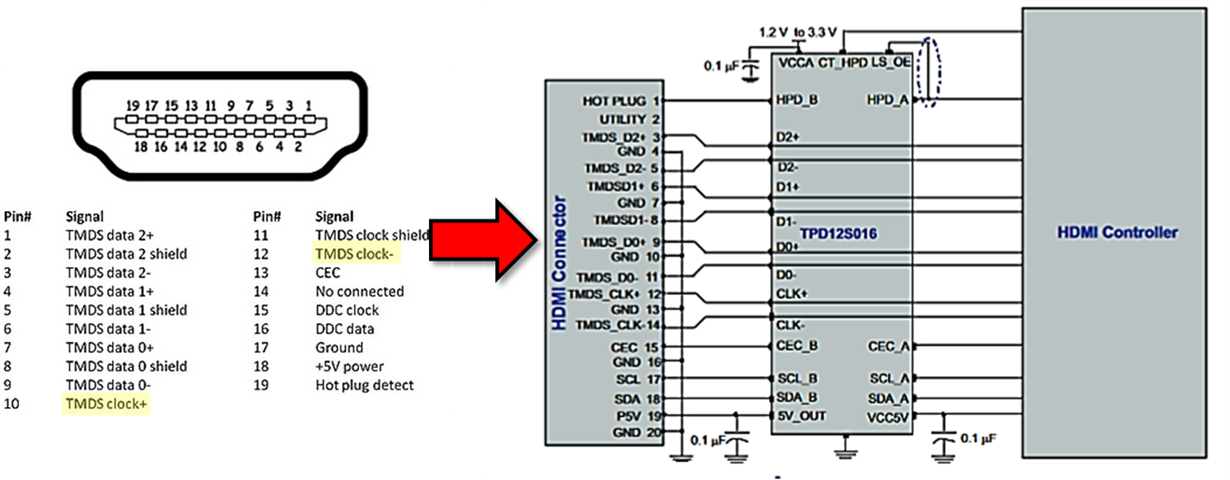
只需确认第4页上的"销功能"表是错误的。 这是第二行上的CLK-,CLK+。 正确吗? 它不会发生任何变化,因为在HDMI协议中,数据在时钟上下运行,因此时钟极性并不重要。 尽管如此,与上面的图形以及数据表后面的布局相比,该表似乎是错误的。

格雷戈雷

  • 请注意,本文内容源自机器翻译,可能存在语法或其它翻译错误,仅供参考。如需获取准确内容,请参阅链接中的英语原文或自行翻译。

    您好,

    对于TPD12S016,CLK+和CLK-对应于HDMI连接器上的引脚10和12,如下所示。

    存在CLK+和CLK-的原因是TMDS差分信令。 这有助于降低系统中的EMI,并通过基于两个信号之间的差值来提高数据包的准确性。 我希望这能有所帮助!

    非常恭敬,

    Brian Dempsey