This thread has been locked.

If you have a related question, please click the "Ask a related question" button in the top right corner. The newly created question will be automatically linked to this question.

[参考译文] TFP410:尝试显示SXGA (1280x1024@1024@60Hz)

Guru**** 2482105 points
Other Parts Discussed in Thread: TFP410

请注意,本文内容源自机器翻译,可能存在语法或其它翻译错误,仅供参考。如需获取准确内容,请参阅链接中的英语原文或自行翻译。

https://e2e.ti.com/support/interface-group/interface/f/interface-forum/666672/tfp410-trying-to-display-sxga-1280x1024-60hz

部件号:TFP410

您好-

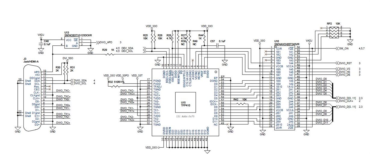
 我使用的是12位双边模式的TFP410设备(图示页附在后面)。 我的注册设置如下:

CTL_1_mode:

[7]= RSVD = 1
[6]= TDIS = 0 (由PD_n确定的TMDS)
[5]= VEN =1 (VSYNC输入有效且将使用)
[4]= hen =1 (HSYNC输入有效且要使用)
[3]= DSEL = 0 (单端时钟)
[2]= BSEL = 0 (12位双边模式)
[1]=边线= 1 (选择上升边线)
[0]= pd_n =1 (开机)

我的像素时钟为108MHz。

我已成功显示VGA和720p60分辨率,但无法显示SXGA分辨率。 显示屏本身显示一个具有适当宽高比的红色活动视频区域(且显示屏将输入格式识别为1280x1024@1024@62Hz),因此TFP410似乎正在识别活动视频区域...但显示的图像呈红色稳定亮起。

TFP410的数据表显示,该芯片最高可达UXGA,显然远远超出了我尝试显示的分辨率。

对我可能做得不正确有什么想法?

谢谢!

 Bryan

  • 请注意,本文内容源自机器翻译,可能存在语法或其它翻译错误,仅供参考。如需获取准确内容,请参阅链接中的英语原文或自行翻译。
    此外,我的视频计时设置如下:

    HSYNC_FROM_PORCH:48像素
    HSYNC_PULES_WIDTH:112像素
    HSYNC_BACK_PORCH:248像素

    vsync_front门廊:1行
    vsync_pulse_width:3行
    vsync_Back_Porch:38行
  • 请注意,本文内容源自机器翻译,可能存在语法或其它翻译错误,仅供参考。如需获取准确内容,请参阅链接中的英语原文或自行翻译。
    您好Bryan

    您是否尝试过其他解决方案? 如果是,请说明这种行为。 另一方面,您为什么在IDCK-上有10k下拉电阻? 在单模式下,此引脚应连接到GND。
    您没有任何旁路电容器,请查看第9部分。

    此致
    弗朗西斯科