This thread has been locked.

If you have a related question, please click the "Ask a related question" button in the top right corner. The newly created question will be automatically linked to this question.

[参考译文] DP83869HM:发送数据时出现链路故障

Guru**** 2407080 points


请注意,本文内容源自机器翻译,可能存在语法或其它翻译错误,仅供参考。如需获取准确内容,请参阅链接中的英语原文或自行翻译。

https://e2e.ti.com/support/interface-group/interface/f/interface-forum/1108022/dp83869hm-link-failure-when-sending-data

器件型号:DP83869HM
主题中讨论的其他器件:DP83869

我设计了一个包含 Xilinx XCZU2EG-L1SBVA484I Zynq UltraScale+器件的 SOM、其中包含 DP83869、用于连接1Gb 网络。  我们使用 Vivado 2019.1开发此产品的代码。  SOM 上的调试端口报告 DP83869配置正确、自动协商会呈现1Gb/s 速率。  但是、当我们尝试发送数据时、会报告以下序列。

以太网链路断开

启动 PHY 自动协商

正在等待 PHY 完成自动协商。

自动协商完成

PHY 地址9的链路速度:1000

以太网链路建立

以太网链路断开

启动 PHY 自动协商

正在等待 PHY 完成自动协商。

自动协商完成

PHY 地址9的链路速度:1000

以太网链路建立

以太网链路断开

启动 PHY 自动协商

正在等待 PHY 完成自动协商。

自动协商完成

PHY 地址9的链路速度:1000

以太网链路建立

memset 0x80000010以太网链路断开

启动 PHY 自动协商

正在等待 PHY 完成自动协商。

0x0.自动协商完成

PHY 地址9的链路速度:1000

以太网链路建立

该链路断开、自动协商、链路向上的序列将继续、直到我们停止发送数据。  我们连接到的主机正在运行 Wireshark、从不指示已从 SOM 接收到数据。  以前有人遇到过这种情况吗?

  • 请注意,本文内容源自机器翻译,可能存在语法或其它翻译错误,仅供参考。如需获取准确内容,请参阅链接中的英语原文或自行翻译。

    您好!

    您使用哪种电缆将 PHY 连接到链路伙伴(LP)、电缆长度以及电缆类型? 什么是连接合作伙伴?  

    此致、

    Gerome

  • 请注意,本文内容源自机器翻译,可能存在语法或其它翻译错误,仅供参考。如需获取准确内容,请参阅链接中的英语原文或自行翻译。

    PCB 上的连接器是 Harwin G125-MH11005L1P。  我们有一根连接 Halo HFJ11-1G01ERL 插孔的适配器电缆、长度不超过1英寸。  然后、它连接到一根现成的 Etnernet 电缆、该电缆长度小于36英寸、可连接到运行 Linux 的 PC。

  • 请注意,本文内容源自机器翻译,可能存在语法或其它翻译错误,仅供参考。如需获取准确内容,请参阅链接中的英语原文或自行翻译。

    您好!

    如果使用更长的电缆长度、是否会出现此问题?  

    您的 PHY 子系统是否符合 TX 抖动合规性?

    此外、您能否分享您的原理图? 从这个角度来看、我想检查一切是否正常。

    此致、

    Gerome

  • 请注意,本文内容源自机器翻译,可能存在语法或其它翻译错误,仅供参考。如需获取准确内容,请参阅链接中的英语原文或自行翻译。

    我尝试了更长的电缆、结果是相同的。  由于限制、我无法向您发送整个原理图、但我 添加了 PHY 和适配器电缆的快照。  当您询问 PHY 子系统 TX 抖动合规性时、您指的是什么?

  • 请注意,本文内容源自机器翻译,可能存在语法或其它翻译错误,仅供参考。如需获取准确内容,请参阅链接中的英语原文或自行翻译。

    您好!

    感谢您的原理图。 我将对其进行审核并返回给您。 请注意、这些可能最多需要5个工作日、但我希望您能尽快收到反馈。  

    此致、

    Gerome

  • 请注意,本文内容源自机器翻译,可能存在语法或其它翻译错误,仅供参考。如需获取准确内容,请参阅链接中的英语原文或自行翻译。

    您好!

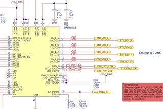
    是否可以扩大原理图的快照以包括 PHY 子系统的全部范围(外部组件、例如 RBIAS 电阻器、分路器、MDIO 电阻器、束带)? 在进一步分析之后、我无法用给出的内容完成对原理图的充分审查。

    此外、我注意到使用的磁性元件具有中心抽头短路和10nF 衰减。 这违反了数据表建议、我们建议对其进行更改。

    我指的是 TX 抖动合规性、我指的是针对 PHY 系统的 IEEE 合规性测试。 您报告的症状表明、边缘设计一旦受到压力(一旦发送数据包)、就会导致不能正常工作。 当前的潜在客户正在检查抖动、并确保功率得到充分分配和解耦。

    此致、

    Gerome

  • 请注意,本文内容源自机器翻译,可能存在语法或其它翻译错误,仅供参考。如需获取准确内容,请参阅链接中的英语原文或自行翻译。

    我已附上包含 PHY 的完整工作表。  请注意、每个 LED 线路都连接到一个2K 电阻器、驱动 NPN 晶体管的基极、以启用/禁用实际的 LED。  这可能会干扰自举模式吗?

    之所以选择磁性元件、是因为我们在包含 DP83867的第一个原型中使用了相同的插孔、并且以太网连接没有问题。  遗憾的是、由于可用性问题、我们不得不切换器件。

  • 请注意,本文内容源自机器翻译,可能存在语法或其它翻译错误,仅供参考。如需获取准确内容,请参阅链接中的英语原文或自行翻译。

    您好!

    我建议在交通繁忙时,监察输油轨有否下降。 我还注意到、您的电源去耦不符合我们的建议以及磁性选择。 我建议相应地调整设计、以查看这些问题是否得到解决。

    此致

    Gerome

  • 请注意,本文内容源自机器翻译,可能存在语法或其它翻译错误,仅供参考。如需获取准确内容,请参阅链接中的英语原文或自行翻译。

    通过更改 PHY 的配置设置、我解决了链路掉线的问题。  更具体地说、我们更改 了 RGMII_CTRL 寄存器中的 RGMII 发送和 RGMII 接收时钟延迟位。  我们现在成功地向计算机发送和接收数据。