This thread has been locked.

If you have a related question, please click the "Ask a related question" button in the top right corner. The newly created question will be automatically linked to this question.

[参考译文] DP83869HM:光纤输出信号电平(TD 和 RD)

Guru**** 2412310 points
Other Parts Discussed in Thread: DP83869HM

请注意,本文内容源自机器翻译,可能存在语法或其它翻译错误,仅供参考。如需获取准确内容,请参阅链接中的英语原文或自行翻译。

https://e2e.ti.com/support/interface-group/interface/f/interface-forum/1051554/dp83869hm-fiber-output-signal-levels-td-and-rd

器件型号:DP83869HM
主题中讨论的其他器件: DP83869

您好,

我将在100 Base FX 模式下使用 DP83869HM 并使用光学收发器 EOLS-1303-2M。  DP83869与 DP83869之间的光纤输出和输入信号电压电平不符合数据表要求。  

以下是我观察到的结果:  

尽管通信没有任何问题、但频率和 TD 信号电压电平存在严重偏差。

请指导您检查哪些内容以及如何进一步操作。

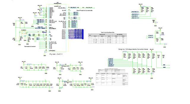
FYI,设备已通过寄存器捆绑配置。 也安装了 R86。 随附原理图以供参考

谢谢

  • 请注意,本文内容源自机器翻译,可能存在语法或其它翻译错误,仅供参考。如需获取准确内容,请参阅链接中的英语原文或自行翻译。

    Manoj、您好!  

    请您参加查询。

    我很难阅读原理图。 请共享 PDF 版本。

    此致、

    Sreenivasa

  • 请注意,本文内容源自机器翻译,可能存在语法或其它翻译错误,仅供参考。如需获取准确内容,请参阅链接中的英语原文或自行翻译。

    Manoj、您好!  

    感谢您的查询。

    我很难阅读原理图。 请共享 PDF 版本。

    此致、

    Sreenivasa

  • 请注意,本文内容源自机器翻译,可能存在语法或其它翻译错误,仅供参考。如需获取准确内容,请参阅链接中的英语原文或自行翻译。

    胡斯里尼瓦萨

    很抱歉,我的反应有这么多的延迟,实际上我已经离开了。
    将在一段时间内分享您的 pdf

  • 请注意,本文内容源自机器翻译,可能存在语法或其它翻译错误,仅供参考。如需获取准确内容,请参阅链接中的英语原文或自行翻译。

    Manoj、您好!  

    谢谢您。

    此致、

    Sreenivasa

  • 请注意,本文内容源自机器翻译,可能存在语法或其它翻译错误,仅供参考。如需获取准确内容,请参阅链接中的英语原文或自行翻译。

    您好、Sreenivasa、

    请在 pdf 中找到随附的原理图。

    e2e.ti.com/.../SFP_5F00_DP83869HM-Schematic.pdf

    请说明读数不符合数据表的原因。

    谢谢、

    曼诺伊

  • 请注意,本文内容源自机器翻译,可能存在语法或其它翻译错误,仅供参考。如需获取准确内容,请参阅链接中的英语原文或自行翻译。

    Manoj、您好!  

    感谢您的原理图。 我将在本周结束前回顾并返回。

    对此,

    Sreenivasa  

  • 请注意,本文内容源自机器翻译,可能存在语法或其它翻译错误,仅供参考。如需获取准确内容,请参阅链接中的英语原文或自行翻译。

    Manoj、您好!  

    您能否分享所使用的 FP 模块的数据表。

    我在 SI_P 和 SI_N 引脚上看到一个100R 并联端接。 请 告诉我该电阻器的用例。 R76。

    此致、

    Sreenivasa

  • 请注意,本文内容源自机器翻译,可能存在语法或其它翻译错误,仅供参考。如需获取准确内容,请参阅链接中的英语原文或自行翻译。

    Manoj、您好!  

    我看到 2个 SFP 模块(可能更多)。 我假设您已经共享了其中一个 PHY 原理图。 您是否计划使用2个电源或3个电源配置?

    此致、

    Sreenivasa

  • 请注意,本文内容源自机器翻译,可能存在语法或其它翻译错误,仅供参考。如需获取准确内容,请参阅链接中的英语原文或自行翻译。

    您好、Cree、

    我们在 SI_P 和 SI_N 之间连接了100欧姆、以匹配端子阻抗、从而实现良好的信号完整性和干净的波形。 这是 TI 自己向我们的一个团队提出的。

    这是所需的 FP 模块数据表。

    e2e.ti.com/.../EOLS_2D00_1303_2D00_2M.pdf

  • 请注意,本文内容源自机器翻译,可能存在语法或其它翻译错误,仅供参考。如需获取准确内容,请参阅链接中的英语原文或自行翻译。

    Manoj、您好!

    感谢您的参与。

    SFP 模块内部似乎有交流耦合。 您能否短接外部交流耦合电容器、并测试性能以及电压电平。

    此致、

    Sreenivasa

  • 请注意,本文内容源自机器翻译,可能存在语法或其它翻译错误,仅供参考。如需获取准确内容,请参阅链接中的英语原文或自行翻译。

    您好、Cree、

    原理图中显示了2个 SFP 模块、但一次只使用一个 FP 模块。 请参见下图。

    此外、我使用的是3电源配置。

    谢谢

  • 请注意,本文内容源自机器翻译,可能存在语法或其它翻译错误,仅供参考。如需获取准确内容,请参阅链接中的英语原文或自行翻译。

    好的,我将检查波形和电压电平,并返回给您。

    频率为62.5MHz 而不是625MHz 有什么原因吗?

  • 请注意,本文内容源自机器翻译,可能存在语法或其它翻译错误,仅供参考。如需获取准确内容,请参阅链接中的英语原文或自行翻译。

    Manoj、您好!  

    请参阅以下部分。

    对于100Mbps 和10Mbps 运行、SGMII 的1.25Gbps 速率过高。 在100Mbps 模式下运行时、PHY 通过复制每个帧字节10次来延长帧、在10Mbps 模式下、PHY 通过复制每个帧字节100次来延长帧。 这种帧延伸发生在 IEEE 802.3 PCS 层之上、因此帧分界符的起始每帧只显示一次。

    此致、

    Sreenivasa

  • 请注意,本文内容源自机器翻译,可能存在语法或其它翻译错误,仅供参考。如需获取准确内容,请参阅链接中的英语原文或自行翻译。

    Manoj、您好!  

    您是否有机会执行一些测试。

    此致、

    Sreenivasa

  • 请注意,本文内容源自机器翻译,可能存在语法或其它翻译错误,仅供参考。如需获取准确内容,请参阅链接中的英语原文或自行翻译。

    您好、Cree、

    今天或明天我将检查结果、然后返回给大家。

    曼诺伊

  • 请注意,本文内容源自机器翻译,可能存在语法或其它翻译错误,仅供参考。如需获取准确内容,请参阅链接中的英语原文或自行翻译。

    Manoj、您好!  

    已记下并感谢您。

    此致、

    Sreenivasa

  • 请注意,本文内容源自机器翻译,可能存在语法或其它翻译错误,仅供参考。如需获取准确内容,请参阅链接中的英语原文或自行翻译。

    Manoj、您好!  

    您是否有机会执行一些测试。

    此致、

    Sreenivasa

  • 请注意,本文内容源自机器翻译,可能存在语法或其它翻译错误,仅供参考。如需获取准确内容,请参阅链接中的英语原文或自行翻译。

    你好、Cree、

    很抱歉,我本周不在办公室。 我将在星期一之前回来。

    谢谢,

    曼诺伊

  • 请注意,本文内容源自机器翻译,可能存在语法或其它翻译错误,仅供参考。如需获取准确内容,请参阅链接中的英语原文或自行翻译。

    Manoj、您好!

    感谢您的回复、并注意到。

    周末愉快

    此致、

    Sreenivasa

  • 请注意,本文内容源自机器翻译,可能存在语法或其它翻译错误,仅供参考。如需获取准确内容,请参阅链接中的英语原文或自行翻译。

    Manoj、您好!  

    您是否有机会进行一些测量。

    此致、

    Sreenivasa

  • 请注意,本文内容源自机器翻译,可能存在语法或其它翻译错误,仅供参考。如需获取准确内容,请参阅链接中的英语原文或自行翻译。

    Manoj、您好!  

    我将关闭线程、因为我没有听到您的反馈。

    此致、

    Sreenivasa

  • 请注意,本文内容源自机器翻译,可能存在语法或其它翻译错误,仅供参考。如需获取准确内容,请参阅链接中的英语原文或自行翻译。

    Manoj、您好!  

    我将关闭线程、因为我没有听到您的反馈。

    此致、

    Sreenivasa