Other Parts Discussed in Thread: TFP401A, TFP401
https://e2e.ti.com/support/interface-group/interface/f/interface-forum/1046028/tfp401a-tfp401a
器件型号:TFP401A主题中讨论的其他器件: TFP401
你好。
我正在使用 TFP401A 接收 HDMI 流...
我使用 TFP401PZP 评估模块进行了所有开发测试...我没有发现任何问题...
我意识到了板(如图所示)...
但不幸的是,TFP401A 不输出任何信号(Vsync Hsync De)... ODCK 除外
我为您提供一些数据:
该卡具有接地平面...
连接 HDMI 电缆时、我注意到由于 TFP401的活动、电流消耗增加了约200mA
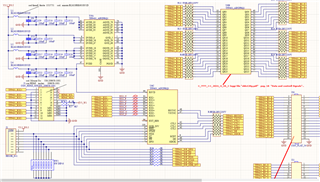
我在连接器 TFP401的连接部分中随附了电路板图片
接线图...
我会向您提出一些问题
RX0 RX1 RX2 RXC 对的布局是否可能错误?...
差分对 RX0 RX1 RX2 RXC 必须具有相同的长度?
您能帮我解决这个问题吗?
此致
Giovanni Pitino



