This thread has been locked.

If you have a related question, please click the "Ask a related question" button in the top right corner. The newly created question will be automatically linked to this question.

[参考译文] TUSB2046B:TUSB2046 USB2.0集线器问题

Guru**** 2387760 points
请注意,本文内容源自机器翻译,可能存在语法或其它翻译错误,仅供参考。如需获取准确内容,请参阅链接中的英语原文或自行翻译。

https://e2e.ti.com/support/interface-group/interface/f/interface-forum/1042007/tusb2046b-tusb2046-usb2-0-hub-issue

器件型号:TUSB2046B

尊敬的团队:

我们使用了 TUSB2046并解决了该问题。 请帮助分析。
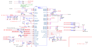
原理图如下所示。



问题:
USB 源来自 SoC (USB3_HS_DP、USB3_HS_DM)
当 U14将1D 切换为2D 时、TUSB2046上电引脚将从3.3V 变为0V。 此时、OC 引脚仍为高电平。 由于上电为0V、因此开关关闭且无电源输出。 请帮助分析。

感谢您的大力支持!

非常感谢、

Jimmy

  • 请注意,本文内容源自机器翻译,可能存在语法或其它翻译错误,仅供参考。如需获取准确内容,请参阅链接中的英语原文或自行翻译。

    你好、Jimmy、

    主机是否枚举 USB 集线器?  集线器在接收到来自主机的 USB 命令之前不会启用下行端口电源。

    此致、

    JMMN

  • 请注意,本文内容源自机器翻译,可能存在语法或其它翻译错误,仅供参考。如需获取准确内容,请参阅链接中的英语原文或自行翻译。

    大家好、

    感谢您的大力支持!

    请参阅以下内容:

    非常感谢、

    Jimmy

  • 请注意,本文内容源自机器翻译,可能存在语法或其它翻译错误,仅供参考。如需获取准确内容,请参阅链接中的英语原文或自行翻译。

    你好、Jimmy、

    TUSB2046的 PWRON 控制为低电平有效。  它们将需要切换至低电平有效使能电源开关或对信号进行反相。

    此致、

    JMMN

  • 请注意,本文内容源自机器翻译,可能存在语法或其它翻译错误,仅供参考。如需获取准确内容,请参阅链接中的英语原文或自行翻译。

    JMMN、您好!

    感谢您的大力支持!

    在重新处理上电后、我们可以获得 USB_5V。 但仍然无法获取 USB 设备。

    此外、我测量了复位和 xtal 信息。 请帮助您仔细检查一下、谢谢。 (电压电平等)

    更新问题状态、

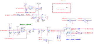
    绕过集线器后、功能全部正常。 问题可能来自 USB2.0集线器。

     

    为了检查集线器、我 将 R13901/ R13900从22欧姆更改为0欧姆、这对波形很有帮助。

    但仍然无法配置器件。

     

    请给我们建议、谢谢!

    原理图如下所示:

    非常感谢、

    Jimmy

  • 请注意,本文内容源自机器翻译,可能存在语法或其它翻译错误,仅供参考。如需获取准确内容,请参阅链接中的英语原文或自行翻译。

    你好、Jimmy、

    USB 主机检测到 USB 集线器、对吧?   

    集线器下游端口上的15K 下拉电阻在哪里?  我在原理图中没有看到集线器的下游连接。

    此致、

    JMMN

  • 请注意,本文内容源自机器翻译,可能存在语法或其它翻译错误,仅供参考。如需获取准确内容,请参阅链接中的英语原文或自行翻译。

    你好、Jimmy、

    有更新吗?

    此致、

    JMMN