我在建立1000Base-T 链路时遇到问题。 SGMII 连接 到 FPGA (在定制板上)、但我尚未实现 FPGA 内部、因为我 想检查 PHY 是否可以首先建立链路。 遗憾 的是、它不能、我不知道这是因为它要求 SGMII 链路首先工作、还是存在另一个问题。 我在另一篇文章中看到过前者。
我尝试了各种设置、包括禁用 SGMII 自动协商。
那么-我的问题是: 如果 SGMII 链路不起作用、DP83869HM 能否与远程合作伙伴建立链路?
谢谢、
Richard

This thread has been locked.
If you have a related question, please click the "Ask a related question" button in the top right corner. The newly created question will be automatically linked to this question.
我在建立1000Base-T 链路时遇到问题。 SGMII 连接 到 FPGA (在定制板上)、但我尚未实现 FPGA 内部、因为我 想检查 PHY 是否可以首先建立链路。 遗憾 的是、它不能、我不知道这是因为它要求 SGMII 链路首先工作、还是存在另一个问题。 我在另一篇文章中看到过前者。
我尝试了各种设置、包括禁用 SGMII 自动协商。
那么-我的问题是: 如果 SGMII 链路不起作用、DP83869HM 能否与远程合作伙伴建立链路?
谢谢、
Richard

您好 Richard、
即使 SGMII 链路尚未建立、PHY 也应能够形成 MDI 链路。 我有以下问题:
谢谢、
Nikhil
此通信和任何相关通信中的所有信息均按“原样”和“不含任何瑕疵”提供,并受 TI 的重要声明(http://www.ti.com/corp/docs/legal/important-notice.shtml)约束。
您好、Nikhil。
感谢您的回复。 我以为我可能不会得到一个、因为我的帖子太简洁了!
在我编写此文档时、我的同事-正在审查电路设计-发现了一个错误。 我修改了电路板、最终结果是 PHY 和磁性元件之间的 MDI 布线具有较短 的焊桥。 PHY 现在与链路伙伴(以太网交换机)自动协商。
我有一个新问题:如何将 PHY 配置为允许1000Mbps? 我尝试了一些不同的设置-包括 设置 NEW_PAGE_1_ADV 和 NEW_PAGE_2_ADV -但它要么失败、要么以100Mbps 的速率结束。
有关配置的更多信息:
PHY 配置为 SGMII 铜线模式。 MDI 侧有四对 并被镜像。 它连接到以太网开关进行测试、从而产生快速链路脉冲(在示波器上观察)。
自从我最初发布以来、我已经建立了一个到 FPGA 的 SGMII 链路、它的运行方式似乎与预期的一样。
我还在示波器上检查了 CLK_OUT、其读取频率为25.00 MHz、因此在 ms 时间范围内稳定至至少400 ppm。
当 PHY 自动协商为100Mbps 时、寄存器值为:
0x00:0x1140
0x01:0x796d
0x04:0x01e1
0x05:0xc5e1
0x07:0xa009
0x08:0x6801
0x09:0x0300
0x10:0x5048
0x11:0x6f02
此致、
Richard
您好 Richard、
铜侧链路使用的电缆长度是多少? 您在哪些对上看到自协商链路脉冲? 对于1000Mbps、自动协商仍应仅在两对上发生。 寄存器0xA 的值是多少?
谢谢、
Nikhil
此通信和任何相关通信中的所有信息均按“原样”和“不含任何瑕疵”提供,并受 TI 的重要声明(http://www.ti.com/corp/docs/legal/important-notice.shtml)约束。
你(们)好,Nikhil。
电缆为~70cm 6类。 一端分为 Molex PicoBlade 连接器、可与电路板上的 PicoBlade 接头(53398-0871)配合使用。 这与新的焊接电桥组合在一起、意味着信号完整性不是完美的、但我们在另一个可正常工作的电路板上采用了类似的设计(尽管没有焊接电桥)。 我已经订购了零欧姆双电阻器阵列来替代焊接桥。
链路脉冲仅在对1和2的正极侧可见。
我再次列出了所有寄存器值、因为 寄存器0x7和0x11 与我之前消息中的值不同。
此致、
Richard
0x0: 0x1140
0x1: 0x796d
0x4: 0x01e1
0x5: 0xc5e1
0x7: 0x2001
0x8: 0x6801
0x9: 0x0300
0xA: 0x0800
0xF: 0xf000
0x10:0x5048
0x11:0x6c02
您好 Richard、
看起来 PHY 基于寄存器0x9广播1000Base-T 全双工和半双工、而链路伙伴支持基于寄存器0xA 的1000Base-T 全双工、因此很奇怪、自动协商不会收敛到1000Base-T 全双工。
我们是否可以尝试禁用100Mbps 和10Mbps 广播作为实验? 您可以使用以下脚本:
让我们看看如果所有其他广播都关闭、器件是否可以形成千兆链路。
谢谢、
Nikhil
此通信和任何相关通信中的所有信息均按“原样”和“不含任何瑕疵”提供,并受 TI 的重要声明(http://www.ti.com/corp/docs/legal/important-notice.shtml)约束。
你(们)好,Nikhil。
禁用10和100 Mbps 时、自动协商失败。 我正在以1s 的间隔监视中断状态寄存器(0x13)。 软复位后的第一个值为0x1042、此后一直为0x1040、0x8040或0x9040。
第一读数是否由于镜像模式而指示极性变化?
重复的 MDI 交叉更改是否表明存在问题? 当禁用10Mbps 和100Mbps 时、快速链路脉冲突发(在示波器上观察到)在 对的正负侧之间交替。
此致、
Richard
您好 Richard、
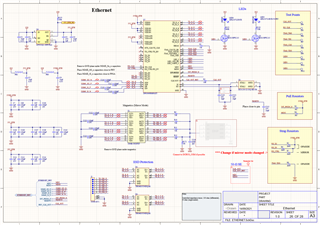
镜像模式的使用有可能导致极性变化中断被触发。 您能否提供显示 PHY 到 RJ45的连接和链路伙伴到相应 RJ45的连接的原理图/方框图?
此外、在使用直通电缆与交叉电缆时是否观察到任何差异?
谢谢、
Nikhil
此通信和任何相关通信中的所有信息均按“原样”和“不含任何瑕疵”提供,并受 TI 的重要声明(http://www.ti.com/corp/docs/legal/important-notice.shtml)约束。
您好 Richard、
我们正在查看原理图、并将能够在本周星期三之前提供反馈。 请在可能的情况下告诉我使用交叉电缆与直电缆的结果。
谢谢、
Nikhil
此通信和任何相关通信中的所有信息均按“原样”和“不含任何瑕疵”提供,并受 TI 的重要声明(http://www.ti.com/corp/docs/legal/important-notice.shtml)约束。