请注意,本文内容源自机器翻译,可能存在语法或其它翻译错误,仅供参考。如需获取准确内容,请参阅链接中的英语原文或自行翻译。
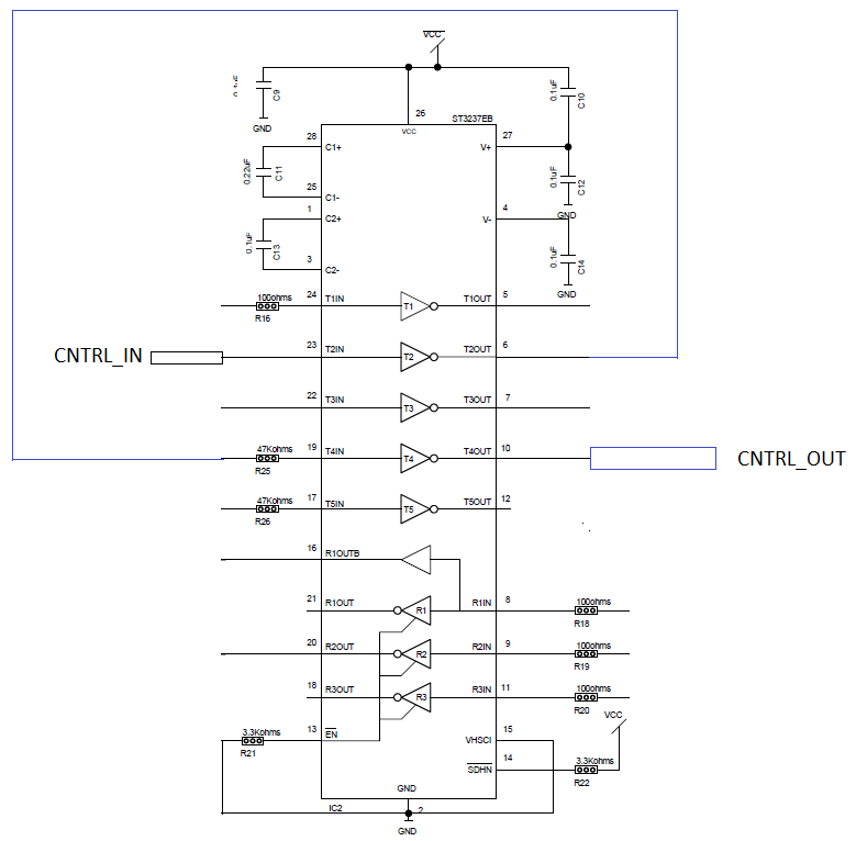
器件型号:TRS3237E 大家好、团队、
我希望 在 RS232协议中具有同相握手信号。
我已使用+5V A 电源连接到 IC RS232。
我是否可以实现所附图像中所示的原理图、而不是使用反相缓冲器?
在我的应用案例中、控制信号的频率非常低。 您可以说它是稳定状态信号。 信号将每天改变一次其状态
我在电路板上观察到的异常是
上电复位时、CNTRL_IN 为高电平、IC2-23=4.9v、IC2-6=-5.9v、 IC2-10=+7.3v (到目前为止一切正常)。
-然后、当更改 CNTRL_IN 为低电平时、IC2-23=0v、IC2-6=-+7.3v、 IC2-10=-5.9v (到目前为止一切正常)。
-然后、当我再次将 CNTRL_IN 切换为高电平时、IC2-23=4.9v (OK)、但 IC2-6停留在+7.3v。 它被锁住了! 我必须切断电源才能复位。
