This thread has been locked.

If you have a related question, please click the "Ask a related question" button in the top right corner. The newly created question will be automatically linked to this question.

[参考译文] TCA9548A:如果我只使用2个输出(SD0、SC0、SD1和 SC1)、其他输出(SD2~SD7和 SC2~SC7)是否仍然需要上拉?

Guru**** 2763585 points

Other Parts Discussed in Thread: TCA9548A

请注意,本文内容源自机器翻译,可能存在语法或其它翻译错误,仅供参考。如需获取准确内容,请参阅链接中的英语原文或自行翻译。

https://e2e.ti.com/support/interface-group/interface/f/interface-forum/882862/tca9548a-if-i-only-use-2-outputs-sd0-sc0-sd1-and-sc1-do-other-outputs-sd2-sd7-and-sc2-sc7-still-need-to-pull-up

器件型号:TCA9548A

你(们)好。

如标题所示、  如果我只使用2个输出(SD0、SC0、SD1和 SC1)、那么其他输出(SD2~SD7和 SC2~SC7)是否仍然需要上拉?

或者、我可以将其浮点吗?

谢谢。

Kane

  • 请注意,本文内容源自机器翻译,可能存在语法或其它翻译错误,仅供参考。如需获取准确内容,请参阅链接中的英语原文或自行翻译。

    您好 Kane、

    我们通常建议通过弱上拉电阻(~100k)将未使用的端口连接到 Vcc。 这可在信道意外启用时提供稳定状态。 但是、这对于器件功能来说不是必需的、在尝试节省 PCB 组件时、引脚可能连接到 Vcc。 如果不打算使用、也可以将所有未使用的引脚短接在一起、并通过单个公共上拉电阻器将它们连接在一起。  

    此致、
    Eric

  • 请注意,本文内容源自机器翻译,可能存在语法或其它翻译错误,仅供参考。如需获取准确内容,请参阅链接中的英语原文或自行翻译。

    尊敬的 Eric:

    只需仔细检查、这种封装是否与 PCB 和 FPC 类型协同使用?

    谢谢。

    Kane

  • 请注意,本文内容源自机器翻译,可能存在语法或其它翻译错误,仅供参考。如需获取准确内容,请参阅链接中的英语原文或自行翻译。

    您好 Kane、

    我相信对于特别灵活的印刷电路、我们没有不同的封装建议。 该器 件提供 TSSOP (PW)和 VQFN (RGE)封装选项、可与任何基板配合使用。  

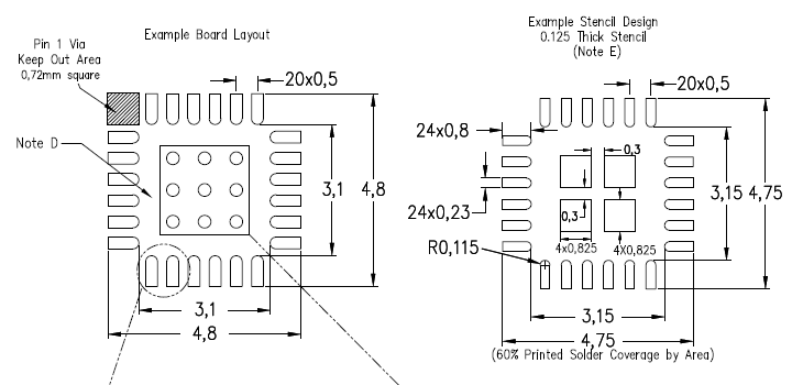
    我在 TCA9548A 数据表中找不到您在上面共享的图。 请参阅本文档、确保使用正确的测量值。  

    此致、
    Eric

    [编辑:器件名称拼写错误]

  • 请注意,本文内容源自机器翻译,可能存在语法或其它翻译错误,仅供参考。如需获取准确内容,请参阅链接中的英语原文或自行翻译。

    您好、Eris、

    蓝色矩形似乎指向同一区域的长度,但一个是0.19,另一个是3.8? 我想3.8是正确的。

    请为我确认。 谢谢。

    Kane

  • 请注意,本文内容源自机器翻译,可能存在语法或其它翻译错误,仅供参考。如需获取准确内容,请参阅链接中的英语原文或自行翻译。

    您好 Kane、

    (0.19)测量值是一个拼写错误。 它的读数应为(3.8)、以与工程图的标记对称一致。 我们将努力纠正这一变化。 感谢您的关注。

    此致、
    Eric