This thread has been locked.

If you have a related question, please click the "Ask a related question" button in the top right corner. The newly created question will be automatically linked to this question.

[参考译文] TIC12400-Q1:INT 引脚不会拉低

Guru**** 2515105 points
Other Parts Discussed in Thread: TIC12400, MSP430F5438A

请注意,本文内容源自机器翻译,可能存在语法或其它翻译错误,仅供参考。如需获取准确内容,请参阅链接中的英语原文或自行翻译。

https://e2e.ti.com/support/interface-group/interface/f/interface-forum/888444/tic12400-q1-int-pin-does-not-pull-low

器件型号:TIC12400-Q1
主题中讨论的其他器件:TIC12400MSP430F5438A

大家好、

现在、我将使用 TIC12400 + MSP430F5438A 为客户构建演示。 但是、当我尝试使用 INT 引脚来检测是否有任何按键被按下时、我发现寄存  器 IN_STAT_COMP 是正确的、我可以读取该寄存器。 但 INT 引脚始终为高电平、并且我读取寄存器 INT_STAT、它全部为0。 那么、我想知道是否有任何东西会阻止或屏蔽中断?

谢谢你。

Gary

  • 请注意,本文内容源自机器翻译,可能存在语法或其它翻译错误,仅供参考。如需获取准确内容,请参阅链接中的英语原文或自行翻译。

    您好、Gary、

    INT 引脚是一个开漏输出并且在输入上的状态改变或者一个特殊事件发生时被拉低(内部)

    您是否在 INT 引脚上使用了外部上拉电阻器? 您使用的电阻器大小是多少?

    数据表在第8.3.9节中具有10k Ω 上拉电阻。

    谢谢

    Saminah

  • 请注意,本文内容源自机器翻译,可能存在语法或其它翻译错误,仅供参考。如需获取准确内容,请参阅链接中的英语原文或自行翻译。

    您好、 Saminah、

    是的、我将使用10千欧的上拉电阻器。 整个设计符合 TI 的建议。

    Gary

  • 请注意,本文内容源自机器翻译,可能存在语法或其它翻译错误,仅供参考。如需获取准确内容,请参阅链接中的英语原文或自行翻译。

    您好、Gary、

    您是否正在使用 TIC12400 EVM?  

    如果是、请检查 GUI 说明。 该器件能够在发生开关状态变化(SSC)时向用户发出警报。 通道配置设置启动 SSC 的条件。 如果未选择此功能、则记录 SSC、但 INT 引脚未置为有效。 在此处查看详细信息

    此外、您能否检查 INT 是否按 此处突出显示的方式进行配置

    请告诉我这是否有助于解决该问题。

    此致

    Saminah

  • 请注意,本文内容源自机器翻译,可能存在语法或其它翻译错误,仅供参考。如需获取准确内容,请参阅链接中的英语原文或自行翻译。

    您好、Saminah、

    感谢你的善意帮助。

    现在我还有另一个问题。 我读取 INT_STAT 寄存器、它始终为1、这意味着 POR 位始终置位。 我可以读取 IN_STAT_COMP 寄存器、因此我假设我的读取操作正常。 然后、我读取几次 INT_STAT 寄存器、它保持为1、POR 位无法清除。 是否有任何原因会导致此问题?

    谢谢你。  

    Gary

  • 请注意,本文内容源自机器翻译,可能存在语法或其它翻译错误,仅供参考。如需获取准确内容,请参阅链接中的英语原文或自行翻译。

    您好、Gary、

    是否在第一个轮询周期完成后清除 INT 引脚?

    此外、每次触发时、再次读取 INT_STAT 寄存器以确保中断仍然无效。

    在器件初始化期间、出厂设置会编程到器件中、以实现器件的精确操作。 器件编程后会执行自检、以确保加载正确的设置。 如果自检返回错误、INT_STAT 寄存器中的 CHK_FAIL 位将与 POR 位一起标记为逻辑1。 如果发生此事件、建议微控制 器启动软件复位(请参阅软件复位部分)以重新初始化器件、从而重新编程正确的设置。 (数据表第18页)。

    谢谢

    Saminah

  • 请注意,本文内容源自机器翻译,可能存在语法或其它翻译错误,仅供参考。如需获取准确内容,请参阅链接中的英语原文或自行翻译。

    您好、Saminah、

    是的、我将清除 INT 引脚。

    现在、我在触发后读取 INT_STAT 寄存器、但无论我读取多少次、POR 位始终置位、这会导致 INT 被拉低。

    我确定我的读取操作是正确的、但我不知道为什么 POR 位不能被清除。 你能给我一些建议吗?

    谢谢你。

    Gary

  • 请注意,本文内容源自机器翻译,可能存在语法或其它翻译错误,仅供参考。如需获取准确内容,请参阅链接中的英语原文或自行翻译。

    您好、Gary、

    初始化过程完成后、INT 引脚置为低电平以通知微控制器、并且 INT_STAT 寄存器中的寄存器位 POR 置为逻辑1。  

    您能否确认未看到此操作?

     

    您在 INT_STAT 寄存器的 CHK_FAIL 位中读取了什么?  它是否也显示"1"?

    如果是这种情况、请 启动软件复位(请参阅数据表的第18页)以重新初始化器件、从而重新编程正确的设置。

    让我知道软件复位后您看到了什么?

    您能否共享原理图以帮助进行调试?

    谢谢

    Saminah

  • 请注意,本文内容源自机器翻译,可能存在语法或其它翻译错误,仅供参考。如需获取准确内容,请参阅链接中的英语原文或自行翻译。

    您好、Saminah、

    初始化过程完成后 、INT 引脚置为低电平 以通知微控制器、并且 INT_STAT 寄存器中的寄存器位 POR 置为逻辑1。  

    您能否确认未看到此操作?

    -->我确实看到这个操作发生了。 那么、我假设初始化过程成功。

    您在 INT_STAT 寄存器的 CHK_FAIL 位中读取了什么?  它是否也显示"1"?

    -->不,它是"0"。

     

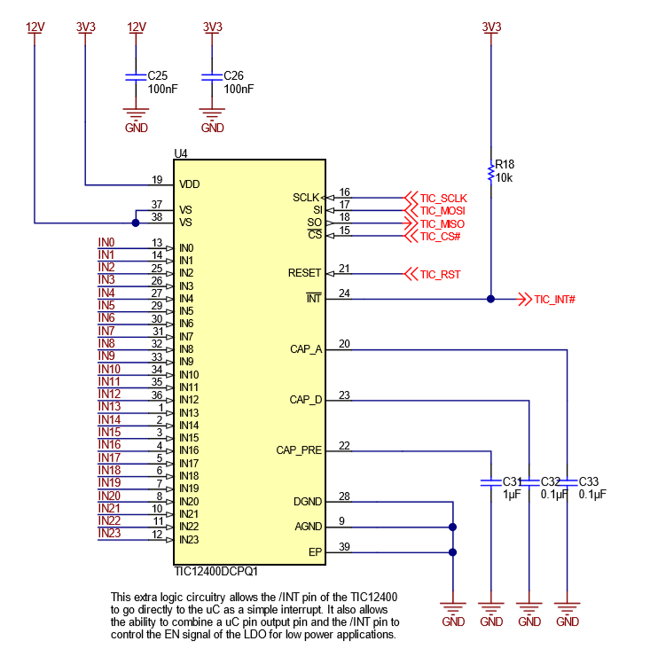
    您能否共享原理图以帮助进行调试?

    -->请参见下图。

     

    现在唯一的问题是:在我读取 INT_STAT 寄存器后、POR 位仍然置位、这是 INT_STAT 寄存器中唯一置位的位、这会导致 INT 引脚始终拉低。 但我想使用 INT 引脚通知 MCU 有一个开关被按下。 请帮我解决这个问题。

    谢谢你

    Gary


  • 请注意,本文内容源自机器翻译,可能存在语法或其它翻译错误,仅供参考。如需获取准确内容,请参阅链接中的英语原文或自行翻译。

    你(们)好

    是否在 CS 为低电平时发出读取命令来读取 INT_STAT 寄存器、否则 INT 将无限期保持低电平

    您使用 的是静态 INT 置位方案还是动态方案?

    谢谢

    Saminah

  • 请注意,本文内容源自机器翻译,可能存在语法或其它翻译错误,仅供参考。如需获取准确内容,请参阅链接中的英语原文或自行翻译。

    您好、Saminah、

    下面是我的答案:

    是否在 CS 为低电平时发出读取命令来读取 INT_STAT 寄存器、否则 INT 将无限期保持低电平

    -->是的,否则,我认为读取命令将不起作用。

    您使用 的是静态 INT 置位方案还是动态方案?

    -->使用静态模式。

  • 请注意,本文内容源自机器翻译,可能存在语法或其它翻译错误,仅供参考。如需获取准确内容,请参阅链接中的英语原文或自行翻译。

    您好、Gary、

    读取 INT_STAT 后、应清除内容并释放/INT 引脚。

    您能否分步共享实际寄存器写入/读取的内容以帮助调试…我也向您发送了一条脱机消息。

    谢谢

    Saminah