This thread has been locked.

If you have a related question, please click the "Ask a related question" button in the top right corner. The newly created question will be automatically linked to this question.

[参考译文] TPS25810:客户在 S5系统中遇到 TPS25810无法为 iPhone 充电的问题。

Guru**** 2419530 points
Other Parts Discussed in Thread: TPS25810

请注意,本文内容源自机器翻译,可能存在语法或其它翻译错误,仅供参考。如需获取准确内容,请参阅链接中的英语原文或自行翻译。

https://e2e.ti.com/support/interface-group/interface/f/interface-forum/880832/tps25810-customer-encountered-the-problem-that-tps25810-didn-t-charging-iphone-when-system-in-s5

器件型号:TPS25810

您好、先生、

我们是否可以支持 TPS25810进行的 I-phone 充电、我们是否需要为 I-phone 设置任何特定模式?

其他 Android 手机在系统进入 S5时可以正常充电、请帮助告知我们是否有任何特定的设置可让25810支持 I-phone。

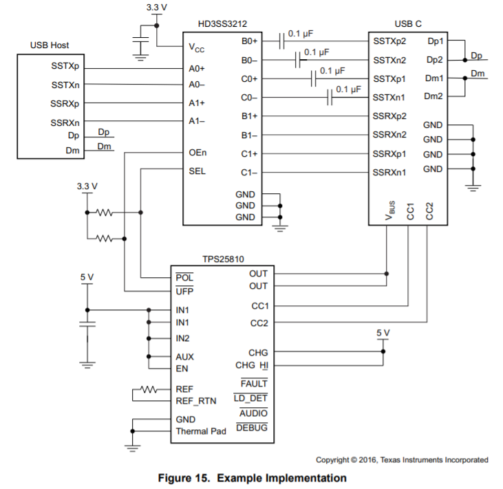
请参阅其方框图、如下应用原理图所示。

谢谢、

乔治

  • 请注意,本文内容源自机器翻译,可能存在语法或其它翻译错误,仅供参考。如需获取准确内容,请参阅链接中的英语原文或自行翻译。

    尊敬的乔治:

    如果电话无法通过 CC 线路进行协商、则默认情况下、它将协商通过 DP/DM 线路进行 BC1.2充电。 TPS25810不支持 BC1.2充电、因为它不与 DP/DM 线路交互。  

    您是否有 DP/DM 控制器、如下面的示例所示?  

    谢谢、

    Emma