This thread has been locked.

If you have a related question, please click the "Ask a related question" button in the top right corner. The newly created question will be automatically linked to this question.

[参考译文] HD3SS3212:级联 HD3SS3212多路复用器

Guru**** 2387830 points
Other Parts Discussed in Thread: HD3SS3212
请注意,本文内容源自机器翻译,可能存在语法或其它翻译错误,仅供参考。如需获取准确内容,请参阅链接中的英语原文或自行翻译。

https://e2e.ti.com/support/interface-group/interface/f/interface-forum/760696/hd3ss3212-cascading-hd3ss3212-mux

器件型号:HD3SS3212

你(们)好

 如果可能、请建议将 HD3SS3212级联两次?  

 第二个问题:是否可以将 HD3SS3212 用于 USB 2.0/USB3.0?

BR、

标记。

  • 请注意,本文内容源自机器翻译,可能存在语法或其它翻译错误,仅供参考。如需获取准确内容,请参阅链接中的英语原文或自行翻译。
    标记

    请向我提供有关为何需要级联 HD3SS3212的更多背景信息吗?

    对于 USB2.0开关,请根据您的系统要求检查 TI 开关 TS3USB*系列。

    谢谢
    David
  • 请注意,本文内容源自机器翻译,可能存在语法或其它翻译错误,仅供参考。如需获取准确内容,请参阅链接中的英语原文或自行翻译。

    你(们)好、David

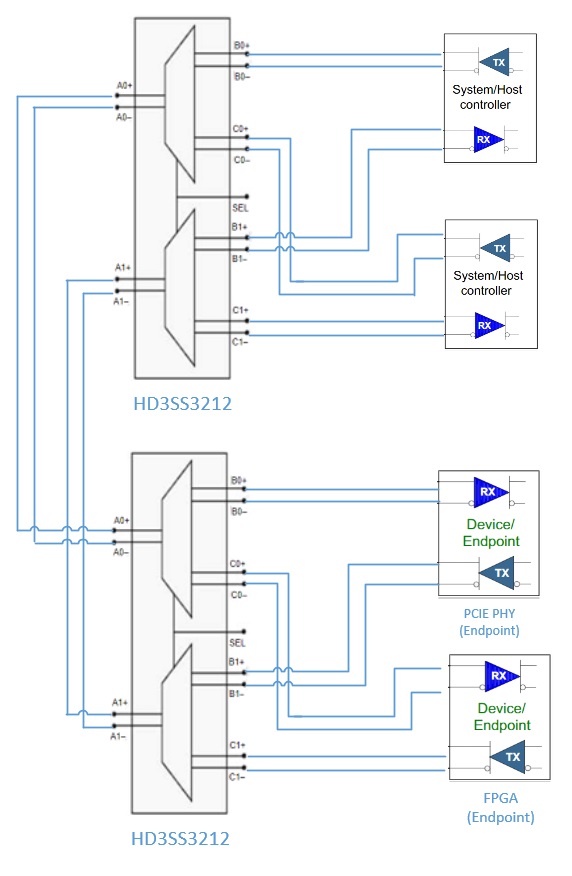
     我有2台 PCIe 主机应连接到一个端点设备、这就是我要实现的方案:

    BR、

    标记。

  • 请注意,本文内容源自机器翻译,可能存在语法或其它翻译错误,仅供参考。如需获取准确内容,请参阅链接中的英语原文或自行翻译。
    标记

    这种实施将起作用、同时请考虑系统损耗、即通过两个 HD3SS3212的组合 BW。 如果主机控制器和设备端点没有裕度、则系统中可能还需要 PCIe 驱动程序。

    谢谢
    David