This thread has been locked.

If you have a related question, please click the "Ask a related question" button in the top right corner. The newly created question will be automatically linked to this question.

[参考译文] DP83848J:器件在正常运行时反复损坏

Guru**** 2389920 points
Other Parts Discussed in Thread: DP83822I
请注意,本文内容源自机器翻译,可能存在语法或其它翻译错误,仅供参考。如需获取准确内容,请参阅链接中的英语原文或自行翻译。

https://e2e.ti.com/support/interface-group/interface/f/interface-forum/812477/dp83848j-device-gets-damaged-repeatedly-under-normal-operation

器件型号:DP83848J
主题中讨论的其他器件:DP83822I

您好!

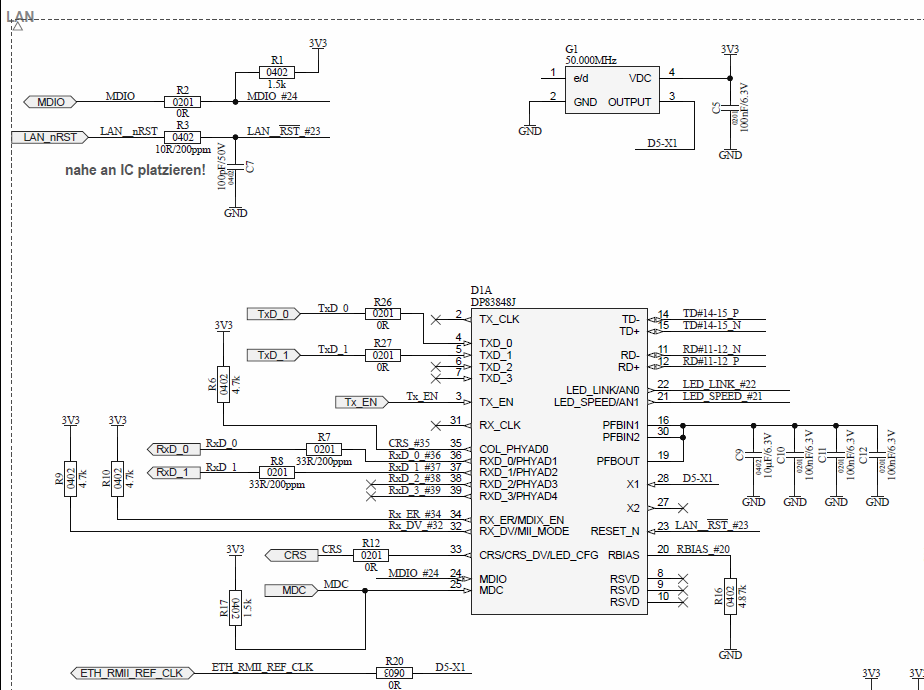
我的客户目前正在设计中使用 DP83848JSQ、但该器 件在应用中反复受损。 他们能够注意到、引脚28 (REF_CLK Eingang)损坏(在硬件上)、并且他们还会在 VCC 和 GND 之间看到一些短路。

与数据表中写入的值相反(请参阅下图)、它们在模式选择中具有4.7kOhm 上拉电阻器。 该器件应在 RMII 模式下使用:

  • 它们是否会由于模式选择输入上的未定义状态而看到此问题?
  • 这是否会导致器件切换到 MII 模式?
  • 必须使用数据表中提到的2.2k Ω 上拉电阻、还是可以使用4.7k Ω 电阻、如此处所示?
  • 对于新设计、客户计划同时使用 DP83822i 和4.7KOhm 上拉电阻器。 它们将在这里看到相同的问题

感谢您的支持。

此致、

Stani

  • 请注意,本文内容源自机器翻译,可能存在语法或其它翻译错误,仅供参考。如需获取准确内容,请参阅链接中的英语原文或自行翻译。

    您好、Stani、

    我建议遵循该数据表值。 对于数据表之外的值、很难确定 IC 的特征。 PHY 可能会进入非确定性模式。 但是、很难说这是否会对器件造成损坏。 您能否让客户更改自举电阻器值以匹配数据表值并再次检查。

    此致

    Aniruddha

  • 请注意,本文内容源自机器翻译,可能存在语法或其它翻译错误,仅供参考。如需获取准确内容,请参阅链接中的英语原文或自行翻译。

    您好、Aniruddha、

    感谢您的回答。 我已告知客户、他们将按照数据表中的建议尝试2.2千欧。

    此致、

    Stani