This thread has been locked.

If you have a related question, please click the "Ask a related question" button in the top right corner. The newly created question will be automatically linked to this question.

[参考译文] PCA9306:上行转换-主器件电压为5V、从器件电压为3.3V

Guru**** 2782445 points

Other Parts Discussed in Thread: PCA9306, TCA9517

请注意,本文内容源自机器翻译,可能存在语法或其它翻译错误,仅供参考。如需获取准确内容,请参阅链接中的英语原文或自行翻译。

https://e2e.ti.com/support/interface-group/interface/f/interface-forum/594939/pca9306-translate-up---master-at-5v-slave-at-3-3v

器件型号:PCA9306
主题中讨论的其他器件: TCA9517

您好!

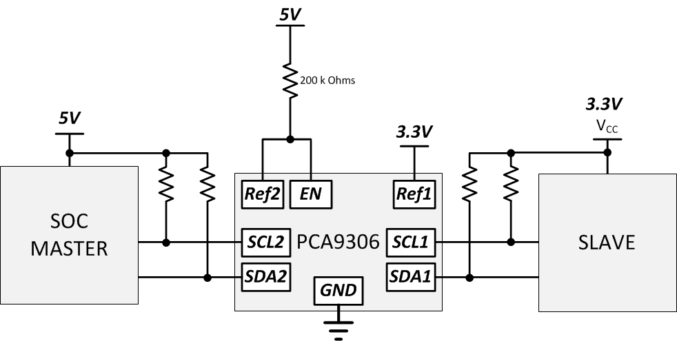
在我的设计中、I2C 主设备以5V 电压运行、而从设备以3.3V 电压运行。 根据数据表、主器件必须连接到接口1 (SCL1、SDA1和 VREF1)。

我是否可以使用其他器件从主器件5V 向下转换到从器件3.3V?

谢谢!

  • 请注意,本文内容源自机器翻译,可能存在语法或其它翻译错误,仅供参考。如需获取准确内容,请参阅链接中的英语原文或自行翻译。

    您好、Waque、

    主器件不必连接到 REF1侧、它通常就是这样。  我们从未 特别指出主器件必须位于 SCL1/SDA1侧、如果是、请在数据表中向我展示并进行更正。  部件不知道谁是主设备和从设备是谁。  它只需要知道电压电平。  只需交换两侧、如下所示:

    我有几个问题要问您。  您是试图缓冲信号、这意味着尝试隔离总线上的容性负载、还是只是尝试进行转换?  如果您的电路板很小、并且不使用电线或电路板连接器进行连接、这会导致总线上产生更大的容性负载、则 PCA9306是理想的选择。  如果您的容性负载大于您可能需要查看 TCA9517之类的器件、它是一个缓冲器件。  

    -弗朗西斯·胡德

  • 请注意,本文内容源自机器翻译,可能存在语法或其它翻译错误,仅供参考。如需获取准确内容,请参阅链接中的英语原文或自行翻译。

    尊敬的 Frances:

    感谢您的回答。 在我的应用中、我使用的是 HDMI 端口。 HDMI 端口上的 I2C 线路连接到芯片的 I2C 线路。 我们的芯片只能支持3.3V 电压、而大多数 HDMI 器件需要5V 电压。 因此、我需要将芯片从 HDMI 端口转换为5V 至3.3V。

    此外、由于有一个实际的 HDMI 端口/连接器可插入 HDMI 电缆、我假设 PCA9306的电容负载过高?

    因此、基本而言、我想它是我需要的转换+缓冲。 在这里、TCA9517是否是最佳选择?

  • 请注意,本文内容源自机器翻译,可能存在语法或其它翻译错误,仅供参考。如需获取准确内容,请参阅链接中的英语原文或自行翻译。
    您好、Waqas、
    您是否有系统设计的方框图、其中包括线束的位置? 这很重要、因为根据系统配置、如果您需要满足合规性测试、则必须尝试将 TCA9517的 A 侧朝向执行合规性测试的线束。
    -弗朗西斯·胡德