This thread has been locked.

If you have a related question, please click the "Ask a related question" button in the top right corner. The newly created question will be automatically linked to this question.

[参考译文] SN65HVD1782:A、B 输出的反向电压问题

Guru**** 2517930 points
Other Parts Discussed in Thread: SN65HVD1782, SN65HVD1781

请注意,本文内容源自机器翻译,可能存在语法或其它翻译错误,仅供参考。如需获取准确内容,请参阅链接中的英语原文或自行翻译。

https://e2e.ti.com/support/interface-group/interface/f/interface-forum/593178/sn65hvd1782-reverse-voltage-question-for-a-b-outputs

器件型号:SN65HVD1782
主题中讨论的其他器件: SN65HVD1781

我在我正在研究的工业墙壁控制设计中使用 TI 的 SN65HVD1782DR RS-485收发器。

 

我们希望墙壁控制上的两个 RS-485接口能够尽可能稳健地抵御 ESD、浪涌、短路和误接线的影响。  

 

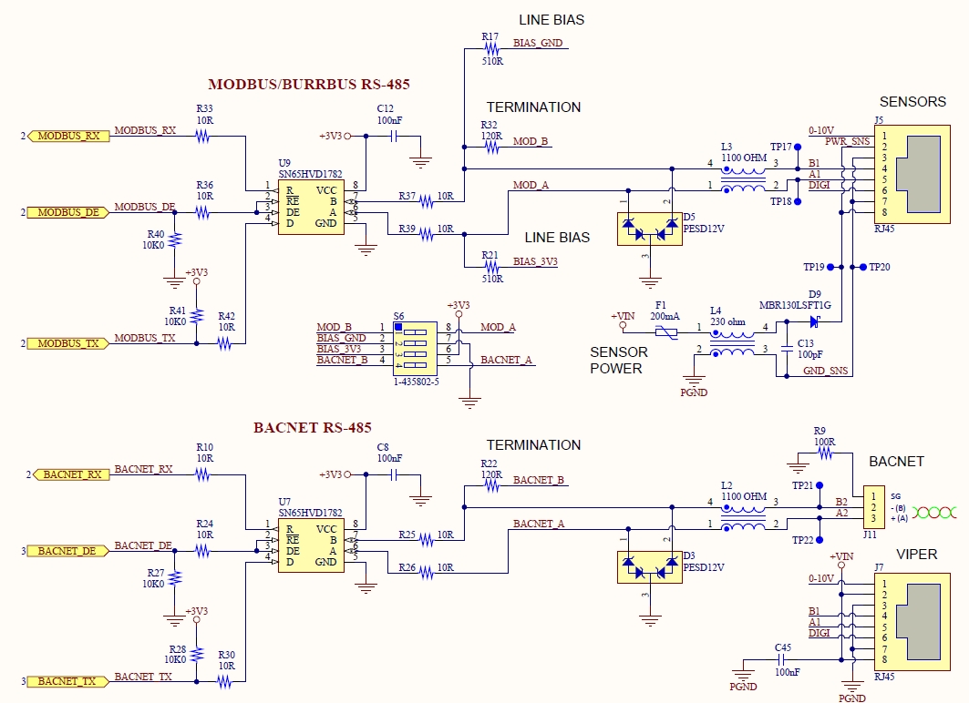
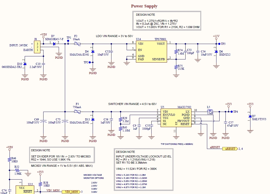
我们希望能够承受的情况之一是、当 RS-485接口的 A 或 B 线路之一对地短路时、 电源(+24VDC、250mA)以反极性应用于墙壁控制(请参阅随附电源原理图中的连接器 J8引脚2和3)。  这可能是一种非常真实的情况、因为我们的用户将制作自己的 CAT-5电缆终端、这些终端插入 RS-485原理图的连接器 J7中。  当它们使用 RJ-45连接器端接电缆时、可能会将接地端连接到 A 或 B、以及+VIN (+24VDC)和后接地端。

 

当我昨天以这种方式连接 PCB 时、我损坏了 SN65HVD1782、因为它的线路对地短路(所附 RS-485原理图中的 U7)。  我确实注意到、台式电源(编程为+24VDC、250mA 电流限制)降至大约7伏、并且已达到其电流限制、因此在某个位置肯定有一条低阻抗返回路径。  我将此配置保持连接大约20到30秒。

 

因此、让我感到困惑的是、该器件的数据表在第4页的表7.1中显示、1782的 A、B 引脚上的最大电压为-70V 至+30V。  然后、根据 TIA-485、通过100欧姆的瞬态过压脉冲为-70V 至+70V。

 

我不理解这两个看似对比的规格所涉及的时序。  根据总线引脚电压规格、这些电压可以连接到 A、B 引脚多长时间?  此外、数据表第21页的典型应用原理图显示了 A 和 B 线上的10欧姆串联电阻、因此瞬态过压脉冲规格中提到的100欧姆电阻来自绝对最大额定值中的哪个位置?  此外、没有为瞬态过压脉冲指定时间。

 

在我看来、在我尝试的故意错误接线场景中、我只对 SN65HVD1782的接地引脚施加+24VDC 电压、并通过一个10欧姆电阻将 A 引脚接地。  施加到 A 引脚的-24VDC 确实在数据表中规定的电压容差范围内。

 

我已经订购了 SN65HVD1781和 SN65HVD1782的一些样片、以便我可以尝试重复此实验、看看我是否获得相同的结果。  但是在我这么做之前、我想更好地了解器件的数据表、以确保器件不会受到它从未打算承受的滥用。

  • 请注意,本文内容源自机器翻译,可能存在语法或其它翻译错误,仅供参考。如需获取准确内容,请参阅链接中的英语原文或自行翻译。
    Dan、您好!

    SN65HVD1782可以无限期地承受其总线引脚上的+/-36V 直流电压、而没有时间与此规格相关。

    您如何知道 SN65HVD1782已损坏? 您是否使用新设备更换了设备并看到系统恢复正常性能? 在您的测试方面、我有两点突出的地方。 总线引脚上的二极管是 PESD12V、该二极管的击穿电压是多少? 如果超出此范围、则会发生直接接地短路、导致电源轨输出、并最终烧毁二极管、因为它们不适用于稳态电流。 如果击穿电压高于24V、则这不是问题所在。 另一个需要注意的问题是热插拔、这是您测试器件的方式吗? 在将一条长电缆插入电路板时、Vcc 已施加到总线引脚上、电缆的电感性质可能会导致超过24V 电源轨的过冲、从而导致器件损坏。
  • 请注意,本文内容源自机器翻译,可能存在语法或其它翻译错误,仅供参考。如需获取准确内容,请参阅链接中的英语原文或自行翻译。
    Michael、

    您的建议是正确的。 故障发生在 PESD12V 二极管中、而不是 RS-485收发器中。 我将指定一个具有较高反向关断电压的不同 TVS 二极管、以防止这种损坏。 感谢您的意见。

    此致、
    Dan