This thread has been locked.

If you have a related question, please click the "Ask a related question" button in the top right corner. The newly created question will be automatically linked to this question.

[参考译文] THVD1550:高阻值

Guru**** 2513185 points
Other Parts Discussed in Thread: THVD1550, THVD1500, SN75176B

请注意,本文内容源自机器翻译,可能存在语法或其它翻译错误,仅供参考。如需获取准确内容,请参阅链接中的英语原文或自行翻译。

https://e2e.ti.com/support/interface-group/interface/f/interface-forum/758251/thvd1550-high-z-value

器件型号:THVD1550
主题中讨论的其他器件: THVD1500SN75176B

您好、Sirs、

很抱歉打扰你。

我们使用 THVD1550。

我们的问题是 THVD1550引脚6 (DE)如果拉至低电平、这仍然会影响引脚7状态。

另一个字是 RS232 TX 波形、U83 THVD1550DR 引脚6具有连接或断开连接。 请参阅以下内容。

据我了解、当 DE 为低电平时、AB 将为高阻态、对吧?

实际上、我们尝试的竞争对手 ADM485没有发现这种现象。

根据 TI 交叉参考、它们应该是 P2P。

我们猜波形会导致高阻抗值不够大?

因此、我们想知道、

 为什么 THVD1550会出现这 种现象?

2.如何在 Hi-z 中检查 IC? 您是否喜欢使用 伏欧姆毫安表 来获得阻抗值? 如何连接 电压-欧姆-毫安表?

正负连接到引脚6 (A)、负连接到引脚5 (GND)

3、高阻态的正确值是多少? 10m? 100米?

波形:未断开 PIN6。 CH1为 p6、CH2为 pin7


波形: 断开 PIN6 Tx。 CH1为 p6、CH2为 pin7

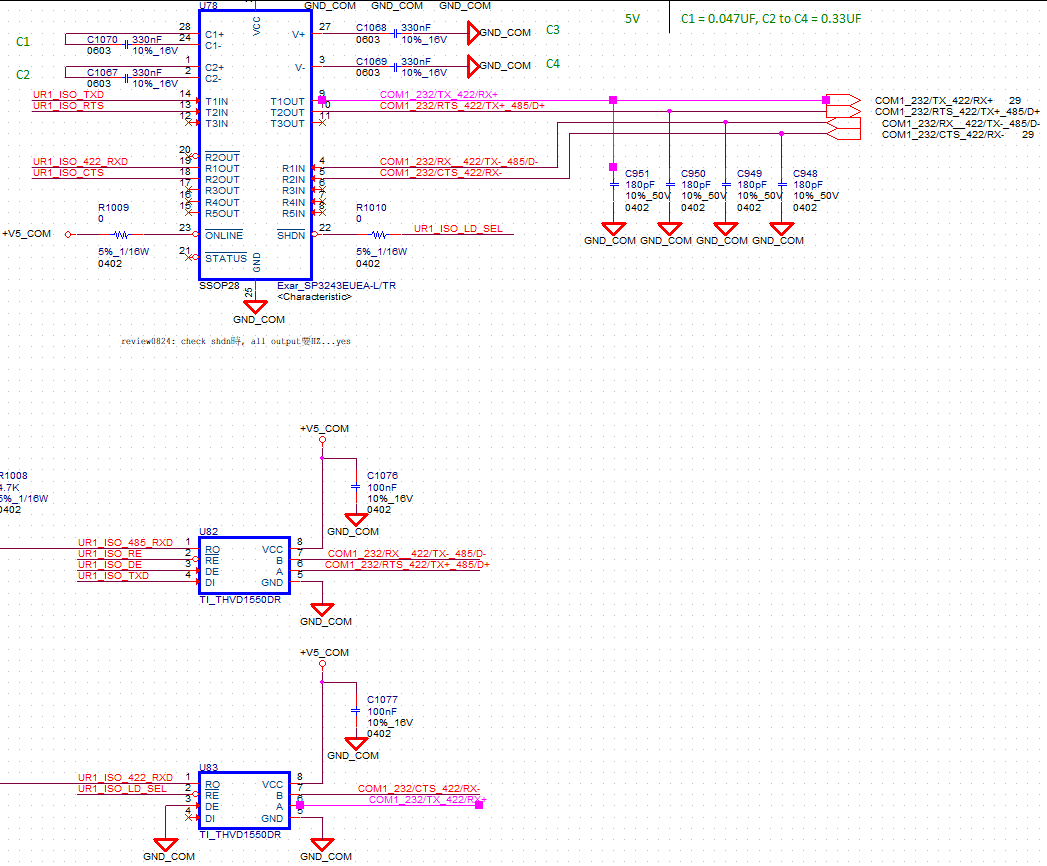
原理图:

  • 请注意,本文内容源自机器翻译,可能存在语法或其它翻译错误,仅供参考。如需获取准确内容,请参阅链接中的英语原文或自行翻译。
    Shu-Cheng、您好!

    输入阻抗通常通过测量给定测试电压的输入电流来确定。 这反映在总线输入泄漏电流规格的数据表中。

    我相信在这种情况下、您会看到 THVD1550中的一些瞬态保护电路在较高的 RS-232电压下开始激活并钳制信号。 遗憾的是、这是器件中无法禁用的功能。

    作为一种解决方案、您可以使用具有不同瞬态保护实现的 P2P 等效设备来替换该器件。 在这种情况下、只要支持您的应用所需的数据速率、我就推荐 THVD1500。

    此致、
    最大
  • 请注意,本文内容源自机器翻译,可能存在语法或其它翻译错误,仅供参考。如需获取准确内容,请参阅链接中的英语原文或自行翻译。

    您好、Sirs、

    感谢您的回复、

    实际上、我们尝试了不同的节点解决方案 SN75176B、看起来它没有这 种现象

    我们想知道 H-Z 如何受到节点数量差异(或驱动强度)的影响。

    很难从规格中找到答案,您能帮助获取更多信息吗?

    谢谢!!

     

  • 请注意,本文内容源自机器翻译,可能存在语法或其它翻译错误,仅供参考。如需获取准确内容,请参阅链接中的英语原文或自行翻译。
    您好、舒成

    很抱歉由于假期而耽误你的时间。 您可以在本博客中阅读有关收发器的高阻抗输入泄漏如何影响 RS-485网络中可实现的节点数的更多信息:

    e2e.ti.com/.../rs-485-basics-how-to-calculate-unit-loads-and-the-maximum-number-of-nodes-on-your-network

    如果您对此有任何疑问、请告诉我。

    此致、
    最大