This thread has been locked.

If you have a related question, please click the "Ask a related question" button in the top right corner. The newly created question will be automatically linked to this question.

[参考译文] PCA9545A:SCL 和 SDA 高电压为2.3V、无需上拉电阻器

Guru**** 2513185 points


请注意,本文内容源自机器翻译,可能存在语法或其它翻译错误,仅供参考。如需获取准确内容,请参阅链接中的英语原文或自行翻译。

https://e2e.ti.com/support/interface-group/interface/f/interface-forum/753630/pca9545a-scl-and-sda-high-voltage-is-2-3v-without-pull-up-resistor

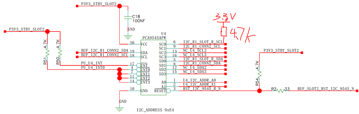
器件型号:PCA9545A

大家好、

当 ?4.7k Ω 上拉电阻器时、SCL 和 SDA 高电压为2.3V,我们要检查电压为何为2.3V 您对2.3V 有什么想法吗? 谢谢。  

  • 请注意,本文内容源自机器翻译,可能存在语法或其它翻译错误,仅供参考。如需获取准确内容,请参阅链接中的英语原文或自行翻译。

    您好、Frank、

    我假设在您移除上拉电阻器时启用了 Ch0。

    下面是我认为正在进行的工作:

    这些导通 FET 的 Vth 似乎约为1V、这就是我们看到电压自行调节至2.3V 的原因。

    谢谢、

    -Bobby