This thread has been locked.

If you have a related question, please click the "Ask a related question" button in the top right corner. The newly created question will be automatically linked to this question.

[参考译文] TCA9803:TCA9803示例

Guru**** 2538930 points
Other Parts Discussed in Thread: TCA9803

请注意,本文内容源自机器翻译,可能存在语法或其它翻译错误,仅供参考。如需获取准确内容,请参阅链接中的英语原文或自行翻译。

https://e2e.ti.com/support/interface-group/interface/f/interface-forum/745640/tca9803-tca9803-quesiton

器件型号:TCA9803

你好

        下面是客户问题。  

a) TCA9803 A 侧能否与 PCA9511连接?

b)主 Vcc、TCA9803 buffer1 Vcca、buffer2 Vcca 使用不同的3.3V 电源轨、这是否正常?

BR

Patrick

  • 请注意,本文内容源自机器翻译,可能存在语法或其它翻译错误,仅供参考。如需获取准确内容,请参阅链接中的英语原文或自行翻译。

    您好 Patrick、

    a)一方应起作用。 需要注意的一点是、TCA980x 的一端具有抗尖峰脉冲滤波器、当您暂时将一端拉低时、该滤波器会打开、通常您在 o 示波器上看不到这一点、除非您的侧音量足够大。 当您使用具有动态偏移的器件(如 PCA9511)时、您可能会看到 TCA980x 将线路驱动为低电平几毫微秒。 这是正常的行为、我不会期望出现任何问题。

    B)这也是可以的。 TCA980x 在电源不存在时应具有高阻抗。

    谢谢、

    -Bobby

  • 请注意,本文内容源自机器翻译,可能存在语法或其它翻译错误,仅供参考。如需获取准确内容,请参阅链接中的英语原文或自行翻译。

    你好

       1. 根据图1,拓扑是否有任何问题?  

       2. 根据图2拓扑、TCA9803的一端连接到 PCA9511的输入侧或输出侧没有问题、对吧?  

      3、 按图3所示。 如果 TCA9803 B 的 B 侧向 B 连接 PCA9511,是否有风险?  salve exp1/exp2与 BMC 主站独立通信。 谢谢你。  

    图1.

    图2.

    图3.

    图3.

  • 请注意,本文内容源自机器翻译,可能存在语法或其它翻译错误,仅供参考。如需获取准确内容,请参阅链接中的英语原文或自行翻译。

    您好 Patrick、

    图1和图2正常。

    图3在 TCA9803上连接了两个 B 侧、不建议这样做。

    谢谢、

    -Bobby

  • 请注意,本文内容源自机器翻译,可能存在语法或其它翻译错误,仅供参考。如需获取准确内容,请参阅链接中的英语原文或自行翻译。

    你好

          下面也有一些问题。  

    作为具有内部上拉的 B 侧、  当 B 侧与 B 侧连接时、将有两个分别连接到不同电源的上拉电阻器(P3V3_exp1、P3V3_exp2)、它是否正常?

    此拓扑连接对于隔离 P3V3_exp1、P3V3_exp2、P3V3_STBY 是否有效?

    3.PCA9511 具有上升时间加速器(我们仅使用 PCA9511热插拔功能、不需要中继器功能)、B 侧与其连接、对吧?

    BR

    Patrick

  • 请注意,本文内容源自机器翻译,可能存在语法或其它翻译错误,仅供参考。如需获取准确内容,请参阅链接中的英语原文或自行翻译。
    当 TRX Bobby 说"不推荐"时、他实际上是指"严格禁止"。 将两个 TCA980x B 侧连接在一起不起作用。

    TCA9803 B 侧没有上拉电阻器、而是电流源。 为了使方向感应正常工作、不能再连接任何其他电流源;换句话说、PCA9511的上升时间加速器会使其断开。
  • 请注意,本文内容源自机器翻译,可能存在语法或其它翻译错误,仅供参考。如需获取准确内容,请参阅链接中的英语原文或自行翻译。

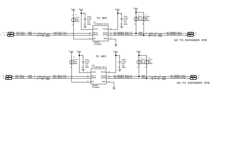
    你好  

          以下是客户拓扑和原理图。 有任何问题吗? 谢谢你。  

    BR

    Patrick

  • 请注意,本文内容源自机器翻译,可能存在语法或其它翻译错误,仅供参考。如需获取准确内容,请参阅链接中的英语原文或自行翻译。
    拓扑正确。

    原理图不是。 所有上拉电阻器都位于错误的一侧;将它们从 B 侧移到 A 侧。