您好、支持团队
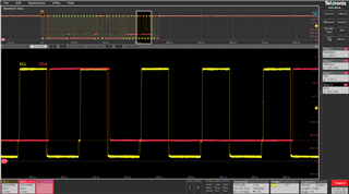
根据数据表、SDA 总线中存在偏移电压 我们测量到总线 A 的偏移电压约为0.39V。
我们想知道电平是否正常或异常、因为数据表中的电压为0.2V。
TCA9509的数据表:


如有任何建议、请告知我。
谢谢、
此致、
劳伦斯
This thread has been locked.
If you have a related question, please click the "Ask a related question" button in the top right corner. The newly created question will be automatically linked to this question.
您好、Bobby
是否有连接到 TCA9509一侧的 I2C 总线的方框图?
=>请参阅方框图,TCA9509的一端连接到 CPU I2C 总线(主设备)。

您是否还能够验证器件一侧是否有任何其他内部电流源?
=>我们需要与客户确认。
您是否看到多个电路板上的多个器件会发生这种情况?
=>是的,我们可以看到每个板上的偏移电压。
如有任何建议、请告知我。
谢谢、
最棒的地方
劳伦斯
劳伦斯
现在我猜的是 CPU I2C 总线(主器件)启用了内部上拉电阻器。 除此之外、我想不到会导致器件将其电压电压变为0.4V 的任何情况。
如果您有一个分线板、您可能可以将我们的器件放在该分线板上、并测试在没有 CPU I2C 总线(主器件)的情况下、电压是多少。 这将使我们能够验证电压问题是否直接来自 TCA9509、或者是否存在来自 CPU I2C 总线(主器件)的泄漏电流。
-Bobby