This thread has been locked.

If you have a related question, please click the "Ask a related question" button in the top right corner. The newly created question will be automatically linked to this question.

[参考译文] SN65DP141:申请设计评审

Guru**** 2581345 points
Other Parts Discussed in Thread: SN65DP141

请注意,本文内容源自机器翻译,可能存在语法或其它翻译错误,仅供参考。如需获取准确内容,请参阅链接中的英语原文或自行翻译。

https://e2e.ti.com/support/interface-group/interface/f/interface-forum/1458997/sn65dp141-request-design-review

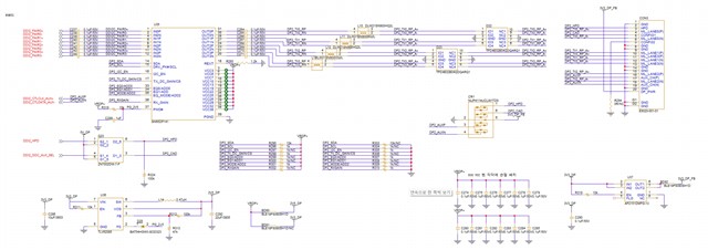
器件型号:SN65DP141

工具与软件:

您好!

我要制作自己的 COM Express Type 模块载板。

我设计了原理图并制作了 PCB 组件、但在 DP 监视器上看不到任何输出。

因此我想确认我的原理图。 请查看我的原理图并提供建议。

这是我的原理图。

  

DP 源是来自 COM Express 模块的 DP++、输出为 miniDP。

BR、

  • 请注意,本文内容源自机器翻译,可能存在语法或其它翻译错误,仅供参考。如需获取准确内容,请参阅链接中的英语原文或自行翻译。

    您好!

    我看不到您的原理图存在任何直接问题。 我有几个问题可以更好地了解这个问题:

    1.是否能够从 DP 源检测监视器? 即使视频不输出、您也应该能够从监视器上看到 AUX 和 HPD 信号是否正确。

    2.如果可以检测到监视器、是否已尝试调整 SN65DP141上的 EQ? 我看到您设置的 EQ 值相对较低、这对于短通道应用是可以的。 如果您使用的通道较长、请尝试提高 EQ。

    此致!

    Shane