请注意,本文内容源自机器翻译,可能存在语法或其它翻译错误,仅供参考。如需获取准确内容,请参阅链接中的英语原文或自行翻译。
器件型号:ISO7342C你(们)好
关于 ISO7342CEVM、我有两个问题

1.
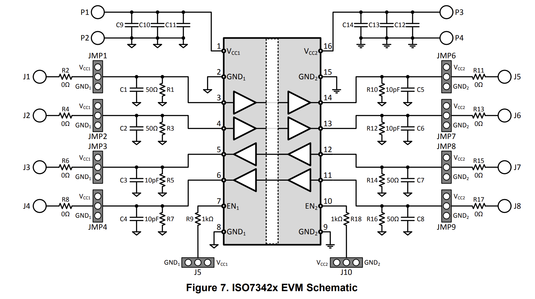
我想 通过 JMP1 的 Vcc1 和 JMP6 的 Vcc2(而不是 P1 和 P3)提供 VCCS (3.3V)。
有可能吗?
2.
JMP1 和 JPM6 的第二个插座是否可以用于信号输入/输出而不是 SMA 连接器?
提前感谢
This thread has been locked.
If you have a related question, please click the "Ask a related question" button in the top right corner. The newly created question will be automatically linked to this question.
你(们)好
关于 ISO7342CEVM、我有两个问题

1.
我想 通过 JMP1 的 Vcc1 和 JMP6 的 Vcc2(而不是 P1 和 P3)提供 VCCS (3.3V)。
有可能吗?
2.
JMP1 和 JPM6 的第二个插座是否可以用于信号输入/输出而不是 SMA 连接器?
提前感谢
尊敬的 Hyunoki:
感谢您的联系。
[报价 userid=“544065" url="“ url="~“~/support/isolation-group/isolation/f/isolation-forum/1579270/iso7342c-is-it-possible-to-supply-vcc-through-jumper-pins我想 通过 JMP1 的 Vcc1 和 JMP6 的 Vcc2(而不是 P1 和 P3)提供 VCCS (3.3V)。
有可能吗?
[/报价]否、P1 和 P2、P3 和 P4 端子专用于器件的 VCC 和接地。 这些引脚还容纳器件的去耦电容器。 绕过这些去耦电容器、器件行为和器件运行可能会受到影响。
是否可以是 JMP1 和 JPM6 的第二个插座、用于信号输入/输出而不是 SMA 连接器? [/报价]是的、这是可以做的。
此致、
Aaditya.