This thread has been locked.

If you have a related question, please click the "Ask a related question" button in the top right corner. The newly created question will be automatically linked to this question.

[参考译文] AMC1311

Guru**** 2619445 points

Other Parts Discussed in Thread: AMC1311

请注意,本文内容源自机器翻译,可能存在语法或其它翻译错误,仅供参考。如需获取准确内容,请参阅链接中的英语原文或自行翻译。

https://e2e.ti.com/support/isolation-group/isolation/f/isolation-forum/1127837/amc1311

主题中讨论的其他器件:AMC1311
尊敬的先生:
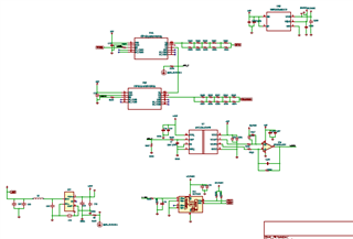
请查找 高电压隔离电阻测量原理图。
此原理图基于 TI 应用手册。  
如 有需要,请向我建议进一步修改。
应用:储能解决方案
产品名称:eBCU
此致...
Ramesh Gupta
联合创始人兼首席技术官
  • 请注意,本文内容源自机器翻译,可能存在语法或其它翻译错误,仅供参考。如需获取准确内容,请参阅链接中的英语原文或自行翻译。

    您好 Ramesh、

    这不是你上周和 Alex 和 Joel 一起解决的问题吗?  我觉得这已经解决了。

  • 请注意,本文内容源自机器翻译,可能存在语法或其它翻译错误,仅供参考。如需获取准确内容,请参阅链接中的英语原文或自行翻译。

    是的、它看起来是一样的。 使用此电路,我想测量隔离电阻,我之前主要是测量高直流电压。

    只需检查并确认它是否适用于 PCB 设计即可。 我们将在测试过程中更改电阻和其他组件的要求值。

    还建议采用任何高电压低侧双向电流测量 sch。

    我能否使用此具有差分运算放大器增益10和基准电压1.5V 的参考电路。

    请求共享 AMC1311的工作说明书以计算输入电阻分压器。

    此致...

    Ramesh Kumar Gupta

  • 请注意,本文内容源自机器翻译,可能存在语法或其它翻译错误,仅供参考。如需获取准确内容,请参阅链接中的英语原文或自行翻译。

    好的-会仔细检查这个并做必要的事情。  将尽快恢复。

  • 请注意,本文内容源自机器翻译,可能存在语法或其它翻译错误,仅供参考。如需获取准确内容,请参阅链接中的英语原文或自行翻译。

    您好 Ramesh、

    两个 XTPSI2140器件最终将如何工作?  它们看起来都由单个使能线路控制。  假设所有电阻器都相同、则 HV2+与 HVCOMMON 上的电压是多少?  如果启用了 U40且 U41未启用、则 AMC_P 相对于 Earth_Protective 的电压是多少?