This thread has been locked.

If you have a related question, please click the "Ask a related question" button in the top right corner. The newly created question will be automatically linked to this question.

[参考译文] SN6501-Q1:建议使用5V 输入、12V 输出电压、Iout= 200mA 变压器

Guru**** 2445440 points
Other Parts Discussed in Thread: SN6501-Q1, SN6501, SN6505B, SN6505B-Q1

请注意,本文内容源自机器翻译,可能存在语法或其它翻译错误,仅供参考。如需获取准确内容,请参阅链接中的英语原文或自行翻译。

https://e2e.ti.com/support/isolation-group/isolation/f/isolation-forum/892725/sn6501-q1-5v-input-12v-vout-iout-200ma-transformer-recommendation

器件型号:SN6501-Q1
主题中讨论的其他器件: SN6501SN6505BSN6505B-Q1

大家好、

客户使用 SN6501-Q1在车辆中提供隔离电源。 以下是应用场景:

输入电压:5V

输出电压:12V

输出电流:200mA

在 SN6501之后、有一个宽输入(4.5~45V) LDO。 您可以为客户推荐变压器吗? 谢谢。

BR

郭松珍

  • 请注意,本文内容源自机器翻译,可能存在语法或其它翻译错误,仅供参考。如需获取准确内容,请参阅链接中的英语原文或自行翻译。

    您好、Songzhen、

    感谢您发帖到 E2E!

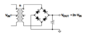
    在5V 工作电压下、SN6501只能驱动隔离变压器上高达1.75W 的功率传输;它将无法为12V 电源轨提供200mA 的电流。

    SN6505器件、如 SN6505B、可驱动高达5W 的功率跨隔离变压器传输。 对于稳压12V 电压轨、Würth 可以使用采用双电压配置的变压器、如 T Ü V 的750316818和750343725或 Coilcraft 的 DA2303-AL。


    这些建议可能不符合我们客户的尺寸、性能或成本要求。 要选择更定制的器件、请确认我们的客户愿意使用 SN6505并分享要使用的二极管和 LDO 的原理图或器件型号。


    尊敬的、
    Manuel Chavez

  • 请注意,本文内容源自机器翻译,可能存在语法或其它翻译错误,仅供参考。如需获取准确内容,请参阅链接中的英语原文或自行翻译。

    您好、Manuel、

    非常感谢您的反馈。

    选择 SN6505B-Q1作为客户的项目。

    它们需要符合 AEC-200标准的变压器。 您知道这种变压器吗? 谢谢。

    BR

    郭松珍

  • 请注意,本文内容源自机器翻译,可能存在语法或其它翻译错误,仅供参考。如需获取准确内容,请参阅链接中的英语原文或自行翻译。

    您好、Songzhen、

    感谢您确认。

    Coilcraft 的 DA2303-AL 和 DA2304-AL 符合 AEC-Q200标准、可用于以下配置中的12V 输出:



    要获得更高的裕度来补偿未知 LDO 和肖特基二极管压降、如果使用此配置、请建议使用 DA2304-AL。 否则、请务必与我分享 LDO 和肖特基二极管器件型号、我们可能会推荐在典型配置中可实现12V 输出的变压器。


    最棒的
    Manuel Chavez

  • 请注意,本文内容源自机器翻译,可能存在语法或其它翻译错误,仅供参考。如需获取准确内容,请参阅链接中的英语原文或自行翻译。

    您好、Manuel、

    非常感谢您的帮助。

    我将为其他客户提出新问题。