Other Parts Discussed in Thread: ISO1042, ISO1044
主题中讨论的其他器件: ISO1044
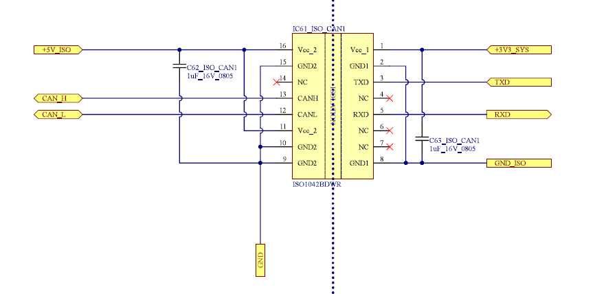
当我将一定数量的 CAN 节点连接到网络时、CAN 总线不再正常工作。 据我所知、原因是 收发器的输出电平(仅 ACK)过高。 对于一个器件、总线看起来仍然正常。 对于每个额外的参与者、ACK 级别会变得越来越高。
这是一个问题、因为系统的静态寄生电容、RX 侧的 ACK 信号 比应有的长约260ns。 作为响应、CAN 接口返回一个总线错误、并且系统不可靠地工作。
如何解决此问题?
非常感谢!
很少的参与者:
一些与会者:
ACK 电平太高、因此它是延迟的 RX 信号




