请注意,本文内容源自机器翻译,可能存在语法或其它翻译错误,仅供参考。如需获取准确内容,请参阅链接中的英语原文或自行翻译。
器件型号:ISOW7821 主题中讨论的其他器件: UC3524A、 ISO7821
您好!
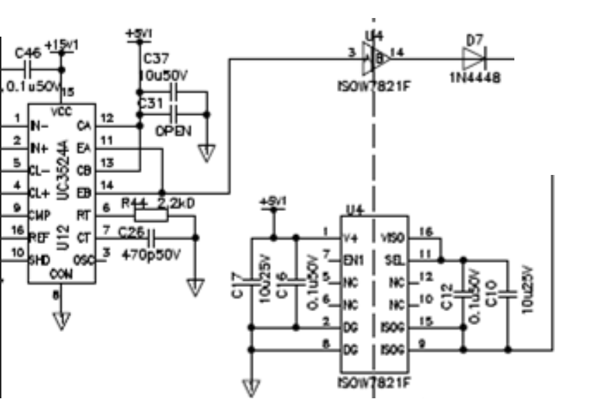
我正在考虑在所连接的 PMT 电路中使用 ISOW7821器件而不是变压器。
当使用 ISOW7821时、可以认为以下两个电流流入-1100V 的电源。
晶体管驱动电流(约1mA)
2. ISOW7821次级侧消耗的电流
我想 问您一个问题。
流经 ISOW7821次级侧的电流有多大(流向 GND2的电流)?
当使用 ISOW7821时、可以认为以下两个电流流入-1100V 的电源。
晶体管驱动电流(约1mA)
2. ISOW7821次级侧消耗的电流
我想 问您一个问题。
流经 ISOW7821次级侧的电流有多大(流向 GND2的电流)?
此致、

