请注意,本文内容源自机器翻译,可能存在语法或其它翻译错误,仅供参考。如需获取准确内容,请参阅链接中的英语原文或自行翻译。
https://e2e.ti.com/support/isolation-group/isolation/f/isolation-forum/786572/transformer
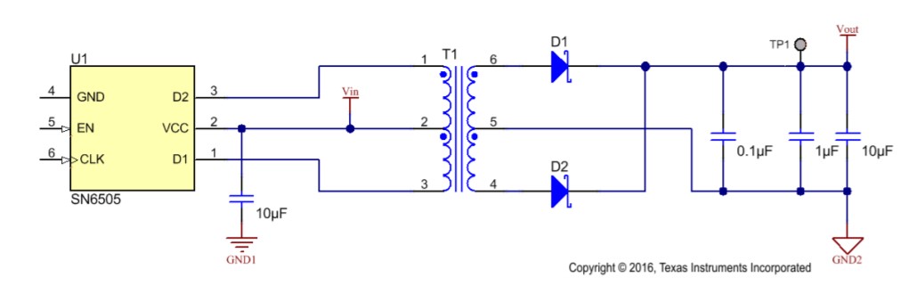
主题中讨论的其他器件:SN6505B你(们)好。
通过使用1:1.1变压器、我打算使用非稳压输出。 是否建议使用(不带 LDO IC)?
我的应用的额定输入电压为5V、所需的输出电流约为500mA。 应用的温度等级为105C。
此致、
Ueliton

