This thread has been locked.

If you have a related question, please click the "Ask a related question" button in the top right corner. The newly created question will be automatically linked to this question.

[参考译文] SN74LS08:SN74LS08D输入浮动,但输出1

Guru**** 2558250 points
Other Parts Discussed in Thread: SN74AHCT08

请注意,本文内容源自机器翻译,可能存在语法或其它翻译错误,仅供参考。如需获取准确内容,请参阅链接中的英语原文或自行翻译。

https://e2e.ti.com/support/logic-group/logic/f/logic-forum/1100015/sn74ls08-sn74ls08d-input-floating-but-output-1

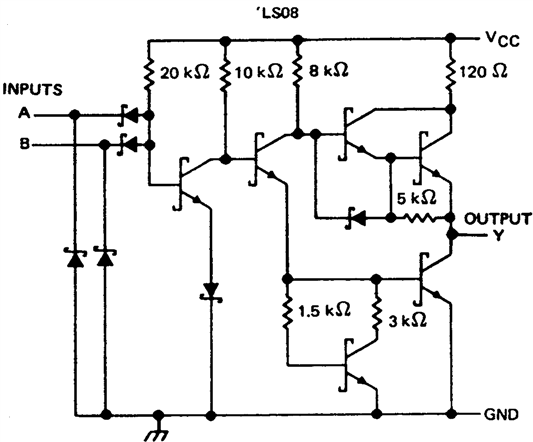
部件号:SN74LS08
主题中讨论的其它部件:SN74AHCT08

SN74LS08D当输入引脚处于浮动状态且没有输入电平时,输出引脚为高电平,且输入引脚的电压测量值为1.3V。 目前的原因是什么? 如何解决无输入时输出0V的问题?

谢谢

  • 请注意,本文内容源自机器翻译,可能存在语法或其它翻译错误,仅供参考。如需获取准确内容,请参阅链接中的英语原文或自行翻译。

    断路输入不保证有任何特定电压。 如果需要特定输出,请确保输入有效。

    对于LS设备,开放式输入确实表现得像高输入一样。 您需要添加不超过500 Ω 的下拉电阻器。

    kΩ 像SN74AHCT08这样的CMOS设备(也需要下拉,但在10 μ m或更多的情况下工作正常)是一个更好的主意。